Example Platform Microwave Oven Control

Worst Case Analysis

 

 

 

 

 

REVISION CORRELATION CHART

REV

LTR

ECN

NO.

REVISION

REV’D BY

APPV’D

 

 

 

 

 

 

 

 

 

 

 

 

 

 

 

 

 

 

 

 

 

 

 

 

 

 

 

 

 

 

 

 

 

 

 

 

 

 

 

 

 

 

 

 

 

 

 

 

 

 

 

 

 

 

 

 

 

 

 

 

 

 

 

 

 

 

 

 

 

 

 

 

 

 


Table of Contents

 

1      PURPOSE......................................................................................................... 6

2      Block Diagram........................................................................................... 7

2. 1          AC Input.................................................................................................... 7

2. 2          DC Power Supply...................................................................................... 7

2. 3          AC on DC.................................................................................................. 8

2. 4          CPU, EEPROM......................................................................................... 8

2. 5          Oscillator.................................................................................................. 8

2. 6          Safety Circuit............................................................................................ 8

2. 7          KEYPAD.................................................................................................... 8

2. 8          Display, LED’s.......................................................................................... 8

2. 9          Piezo Speaker............................................................................................ 8

2. 10        Door Switch.............................................................................................. 9

2. 11        Combi Return Switch................................................................................ 9

2. 12        Fans, Lights.............................................................................................. 9

2. 13        Mag 1 Triac.............................................................................................. 9

2. 14        Mag 2, Front Triac................................................................................... 9

2. 15        Mag 3, Rear Triac..................................................................................... 9

2. 16        Relay Enable............................................................................................. 9

2. 17        60Hz Reference......................................................................................... 9

2. 18        Voltage Sense, Factory Options............................................................... 9

2. 19        208/240 DLB relays, 19a, 19b, 19c, 19d................................................ 10

2. 20        TCO......................................................................................................... 10

2. 21        Current sense.......................................................................................... 10

2. 22        RTD PWM............................................................................................... 10

3      Extreme Control Conditions............................................................ 11

3. 1          Line Voltage Extremes............................................................................ 11

3. 2          Operating Temperature.......................................................................... 11

4      Control Worst Case Analysis............................................................. 11

4. 1      AC Input...................................................................................................... 11

4.1.1        Worst Case Scenarios............................................................................. 11

4.1.1.1     208V/240V, 60Hz transformer................................................................ 12

4.1.1.1.1      T1, 180V, 60Hz. What is –Vunreg,..................................................... 12

4.1.1.1.2      T1, 264V, 60Hz. What is winding temperatures................................. 13

4.1.1.1.3      T1, 264V, 60Hz. What max -Vunreg................................................... 13

4.1.1.2     230V, 50Hz transformer......................................................................... 13

4.1.1.2.1      T1; 230V, 50Hz, max temperature...................................................... 13

4.1.1.2.2      T1; 230V, 50Hz, power sufficiency..................................................... 14

4. 2      DC Power Supply........................................................................................ 14

4.2.1        Worst Case for D1-D4............................................................................ 15

4.2.2        Worst Case for C4.................................................................................. 15

4.2.3        Worst Case for Q1.................................................................................. 15

4.2.4        Worst Case for R53................................................................................. 17

4.2.5        Worst Case for Q6.................................................................................. 17

4.2.6        Worst Case for R54................................................................................. 17

4.2.7        Worst Case for R55................................................................................. 17

4.2.8        Worst Case for L1................................................................................... 18

4.2.9            Worst Case for D25............................................................................ 19

4.2.10          Worst Case for D26............................................................................ 19

4.2.11          Worst Case for C6.............................................................................. 20

4.2.12          Worst Case for Z4............................................................................... 20

4.2.13          Worst Case for R56............................................................................. 21

4.2.14          Worst Case for Z1............................................................................... 21

4.2.15          Worst Case for D27............................................................................ 21

4.2.16          Worst Case for C1.............................................................................. 22

4.2.17          Worst Case for Q11............................................................................ 23

4.2.18          Worst Case for D24............................................................................ 23

             Voltages VR, Vdisp:................................................................................... 23

4.2.19          Worst Case for Z2............................................................................... 23

4.2.20          Worst Case for R4............................................................................... 24

4.2.21          Worst Case for R3............................................................................... 25

4.2.22          Worst Case for Q2.............................................................................. 25

            Voltages VCC:............................................................................................ 25

4.2.23          Worst Case for C2.............................................................................. 25

4. 3      AC on DC.................................................................................................... 26

4.3.1        Worst Case for R15................................................................................. 26

4.3.2        Worst Case for Q3.................................................................................. 26

4. 4      CPU............................................................................................................. 27

4.4.1        Worst Case for R78, R79........................................................................ 27

4.4.2        Worst Case for R103............................................................................... 28

4.4.3        Worst Case for C12................................................................................ 28

4.4.4        Worst Case for U1.................................................................................. 29

4.4.5        Worst Case for U7.................................................................................. 32

4.4.6        Worst Case for R66................................................................................. 32

4. 5      Oscillator.................................................................................................... 33

4.5.1        Worst Case for Y1................................................................................... 33

4.5.2        Worst Case for R91................................................................................. 34

4. 6      Safety Circuit.............................................................................................. 34

4.6.1        Worst Case for block functionality........................................................ 34

4.6.2        Worst Case for R61................................................................................. 35

4.6.3        Worst Case for R81................................................................................. 35

4.6.4        Worst Case for C14................................................................................ 36

4.6.5        Worst Case for C16................................................................................ 36

4.6.6        Worst Case for R22................................................................................. 37

4.6.7        Worst Case for D17................................................................................ 37

4.6.8        Worst Case for C17................................................................................ 37

4.6.9        Worst Case for R80................................................................................. 38

4.6.10      Worst Case for D18................................................................................ 38

4.6.11      Worst Case for D19................................................................................ 38

4. 7      Keypad........................................................................................................ 39

4.7.1        Worst Case for R23 – R29..........................................................................

4.7.2        Worst Case for R6 – R12........................................................................ 39

4.7.3        Worst Case for D5 – D7......................................................................... 40

4.7.4        Worst Case for Keypad resistance......................................................... 40

4.7.4.1     Keypad resistance................................................................................... 40

4. 8      Display/LED............................................................................................... 40

4.8.1        Worst Case for DS1................................................................................ 40

4.8.2        Worst Case for R13, R14........................................................................ 41

4.8.3        Worst Case for RN1, RN2....................................................................... 41

4.8.4        Worst Case for R100, R104.................................................................... 42

4.8.5        Worst Case for R101............................................................................... 42

4.8.6        Worst Case for R102, R103.................................................................... 42

4.8.7        Worst Case for Q12................................................................................ 42

4.8.8        Worst Case for Q13................................................................................ 43

4. 9      Piezo Speaker.............................................................................................. 44

4.9.1        Worst Case for R21, R49............................................................................

4.9.2        Worst Case for R18, R19........................................................................ 44

4.9.3        Worst Case for R16................................................................................. 44

4.9.4        Worst Case for R17................................................................................. 45

4.9.5        Worst Case for Q4.................................................................................. 46

4.9.6        Worst Case for Q5.................................................................................. 46

4.9.7        Worst Case for Y101............................................................................... 46

4.9.8        Worst Case for R101, R104.................................................................... 46

4.9.9        Worst Case for R102............................................................................... 47

4.9.10      Worst Case for R103............................................................................... 47

4.9.11      Worst Case for Q101.............................................................................. 47

4.9.12      Worst Case for D101.............................................................................. 48

4. 10    Door Switch................................................................................................ 48

4.10.1          Worst Case for R1............................................................................... 48

4.10.2          Worst Case for R50............................................................................. 48

4.10.3          Worst Case for D13............................................................................ 49

4. 11        Combi Return.......................................................................................... 49

4.11.1          Worst Case for D15............................................................................ 49

4.11.2          Worst Case for R2............................................................................... 49

4.11.3          Worst Case for R69............................................................................. 50

4. 12        Fans, light............................................................................................... 50

4.12.1          Worst Case for R97 – R99.................................................................. 50

4.12.2          Worst Case for K1 – K3...................................................................... 52

4.12.3          Worst Case for U3.............................................................................. 52

4.12.4          Worst Case for Z3............................................................................... 52

4. 13        Mag 1 Triac............................................................................................ 53

4.13.1          Worst Case for U3.............................................................................. 53

4.13.2          Worst Case for R94............................................................................. 53

4.13.3          Worst Case for R59............................................................................. 54

4.13.4          Worst Case for U4.............................................................................. 54

4. 14        Mag 2/Front Triac.................................................................................. 55

4.14.1          Worst Case for U3.............................................................................. 55

4.14.2          Worst Case for R95............................................................................. 55

4.14.3          Worst Case for R60............................................................................. 55

4.14.4          Worst Case for U5.............................................................................. 55

4. 15        Mag 3/Rear Triac................................................................................... 55

4.15.1          Worst Case for U3.............................................................................. 55

4.15.2          Worst Case for R96............................................................................. 55

4.15.3          Worst Case for R65............................................................................. 55

4.15.4          Worst Case for U6.............................................................................. 55

4. 16        Relay Enable........................................................................................... 56

4.16.1          Worst Case for R72............................................................................. 56

4.16.2          Worst Case for R73............................................................................. 56

4.16.3          Worst Case for R83............................................................................. 57

4.16.4          Worst Case for R84............................................................................. 57

4.16.5          Worst Case for R92............................................................................. 58

4.16.6          Worst Case for R93............................................................................. 58

4.16.7          Worst Case for C11............................................................................ 58

4.16.8          Worst Case for C18............................................................................ 58

4.16.9          Worst Case for D20............................................................................ 59

4.16.10        Worst Case for D21............................................................................ 60

4.16.11        Worst Case for Q9.............................................................................. 60

4.16.12        Worst Case for Q10............................................................................ 61

4.16.13        Worst Case for D16............................................................................ 61

4.16.14        Worst Case for R70............................................................................. 62

4.16.15        Worst Case for R71............................................................................. 62

4. 17        60Hz Reference....................................................................................... 62

4.17.1          Worst Case for R82............................................................................. 63

4.17.2          Worst Case for C15............................................................................ 63

4. 18        Voltage sense.......................................................................................... 63

4.18.1          Worst Case for R62............................................................................. 63

4.18.2          Worst Case for R63............................................................................. 64

4.18.3          Worst Case for R64............................................................................. 64

4.18.4          Worst Case for C19............................................................................ 64

4. 19        208V/230V Mag/ Kal rod relays drive................................................... 65

4.19.1          Worst Case for R51, R52, R66............................................................ 65

4.19.2          Worst Case for R57, R58, R106.......................................................... 66

4.19.3          Worst Case for Q7, Q8, Q14............................................................... 66

4.19.4          Worst Case for D10 – D12, D14......................................................... 66

4.19.5          Worst Case for D22, D23................................................................... 67

4.19.6          Worst Case for K4 – K9...................................................................... 67

4. 20        TCO......................................................................................................... 68

4.20.1          Worst Case for R75............................................................................. 68

4.20.2          Worst Case for R76............................................................................. 68

4.20.3          Worst Case for TCO switch................................................................ 69

4. 21        Current Sense.......................................................................................... 69

4.21.1          Worst Case for U20............................................................................ 69

4.21.2          Worst Case for R20............................................................................. 69

4. 22        RTD PWM............................................................................................... 71

4.22.1          Worst Case for R77............................................................................. 71

4.22.2          Worst Case for R74............................................................................. 71

4.22.3          Worst Case for RTD............................................................................ 71

4.22.4          Worst Case for C10............................................................................ 71

4.22.5          Worst Case for R67............................................................................. 72

4.22.6          Worst Case for R68............................................................................. 72

5           Appendices................................................................................................. 72

6           Notes Regarding worst case analysis........................................................ 72

 


 

1                       PURPOSE

To ensure that every component will withstand the most electrically, mechanically, and environmentally stressful situation that each component can be expected to endure – a worst case analysis. This Worst Case Analysis for the yyyyy Platform microwave oven is derived using the 043-00466 schematic and Bill of Materials according to 100-01153-00.


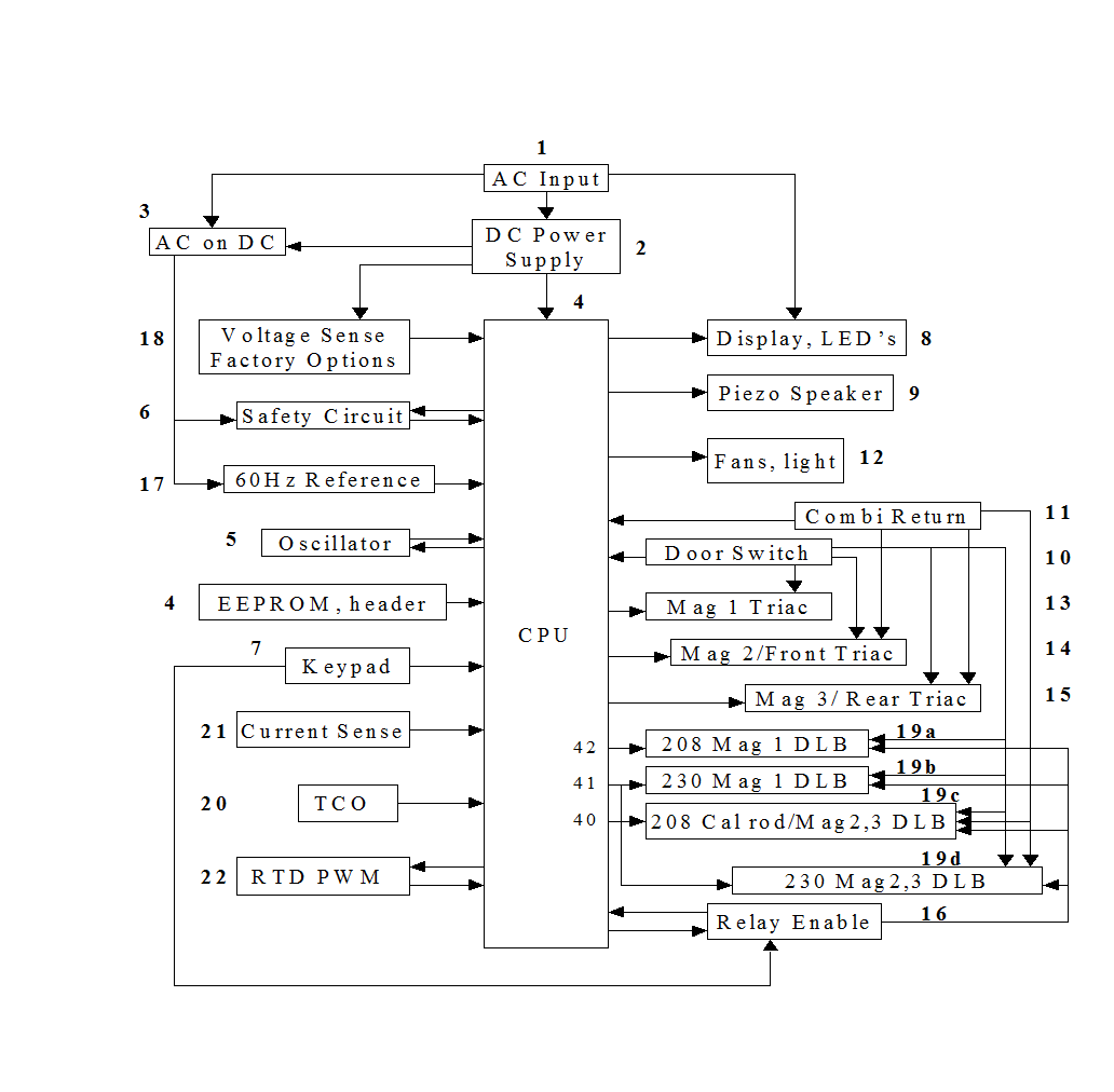
2                       Block Diagram

Below is a block diagram of the Platform control. Following this is a brief description of each block.


Block Descriptions

2. 1                 AC Input

The AC Input is a step-down, isolation power transformer that provides a 29V – 59V ac source for the rectifier for the DC supplies and also a 3.2Vac-4.69Vac for the filament voltage for the VF display as the line voltage goes from the lowest value of 180Vac to 264Vac, respectively.

2. 2                 DC Power Supply

The DC Power Supply provide four voltages for the unit:

-Vunreg            -29Vdc to - 58Vdc unregulated, filtered supply. This is sensed by the Voltage Sense block, block 18, to inform the micro which line voltage the control is plugged into, 208Vac or 240Vac

-VR                  -24Vdc regulated supply, power supply to the relays, triacs, display, speaker, and keyboard.

-Vdisp               -29Vdc regulated supply, power supply for the safety circuit, and display grid cut off voltage.

            -VCC                -5Vdc regulated supply, power supply for the micro and the EEPROM.

2. 3                 AC on DC

The AC on DC block provides a temporary short to –VR once every line cycle. It provides a signal to the micro to indicate the frequency of the line so that the micro can fire the relays at the right time of the phase to increase relay life. It also will reset the micro if the micro is not active.

2. 4                 CPU, EEPROM

The CPU contains the microprocessor and the EEPROM. It accepts the inputs and processes the logic and provide the correct outputs.

2. 5                 Oscillator

The oscillator is a quartz crystal and a 1MW resistor designed to oscillate at 8MHz.

2. 6                 Safety Circuit

The Safety circuit  alternates between ground and –VCC to pump up the voltage of a capacitor which when discharged, allows the microprocessor to reset if the micro should stop toggling the Safety circuit because it has stopped executing expected program instructions.

2. 7                 KEYPAD

The Keypad provides START, RESET, Program, and Numeric entry into the control to cause various cooking times and modes.

2. 8                 Display, LED’s

The display is a Vacuum, Florescent Display with 9 grids of at most 9 anodes to indicate the various operational modes. The VF display also requires a filament voltage that is supplied from the AC Input transformer. The LED’s that indicate the mode of operation are multiplexed with the display grids. The micro does not fire any display grids when the LED’s are pulsed. Instead, Q12 or Q13 are fired in order to pulse an LED.

2. 9                 Piezo Speaker

The Enunciator is a piezo electric device driven directly from the  micro or thru resistors and can be supplied from the micro with 3 levels of power output, low, medium, and hi.


 

2. 10              Door Switch

The Door Switch provides double protection against magnetron operation if the door of the microwave oven is open. The Door Switch normally shorts to circuit ground to complete the circuit path for the relays and the Optos. If the door is open, the Door Switch will interrupt current directly to the magnetron through the wiring harness. And an open door switch will also interrupt the drive circuits to the relays that operate the magnetrons. All this prevents the magnetrons from operating with the door open.

2. 11              Combi Return Switch

The Combi Return is permanently hardwired to ground only in the Combi oven. Otherwise, in the 3TC          oven, the Combi Return permanently floats open.

2. 12              Fans, Lights

The relays for the cooling fan and the light are activated through the inverting buffer, U3. There is no safety concerns if these devices operate continually or operate when the door is open. Either CF208 or CF230 are activated, but never both at the same time. Which one can be turned on is determined at start up when the micro measures what line voltage is present.

2. 13              Mag 1 Triac

In a valid cooking mode, the micro turns ON the Opto, U4, whether in a 3TC model or a Combi model. The Door must be shut in either case before the Opto will activate. The Optoisolated triacs provides power to the microwave oven’s magnetron for those units that can operate the magnetron with a programmable duty cycle to provide various power levels of cooking.

2. 14              Mag 2, Front Triac

This output activates Magnetron 2 when the control is installed in a 3TC oven; it activates the Front Cal rod when the control is installed in a Combi oven.

2. 15              Mag 3, Rear Triac

This output activates Magnetron 3 when the control is installed in a 3TC oven; it activates the Rear Cal rod when the control is installed in a Combi oven.

2. 16              Relay Enable

The Watch Dog circuit acts to shut down the magnetron double line break (DLB) relays if the micro should stop executing normal program instructions. The micro is programmed to toggle the output of pin 43 after it senses a START key pressed from the keyboard and confirms it on pin 30.

There is no mechanical switch to disable the Relay Enable circuit. Only the mP can turn OFF Q9 by discontinuing to toggle pin 43 when the mP determines that the door is open or that a timeout has occurred. When the control is a 3TC, the mP detects a door open state and stops toggling the Relay Enable circuit, or the mP determines that a timeout condition has occurred and stops toggling. When the control is in a Combi oven, the Relay Enable circuit must be enabled in the preheat mode. So the mP only disables Q9, and thus the outputs, only when the mP has determined that a timeout condition has occurred.

Pin 30 also acts as the calibration input. If this line is pulled low at start up, then the mP goes into a calibration mode.

2. 17              60Hz Reference

The AC on DC provides a momentary signal to the microprocessor at the power line frequency. The micro uses this signal to determine the correct time to phase fire the relays. And the micro compares this signal to the fixed crystal oscillator frequency to determine whether the line frequency is 60Hz or 50Hz in order to then set the cooking time from the line frequency.

2. 18              Voltage Sense, Factory Options

The Voltage Sense circuit acts to detect the difference between when the control is plugged into a 208V source and a 240V source. When the control is plugged into the higher voltage source, -Vunreg has a greater negative value than when the control is plugged into the lower voltage source. The control applies a portion of –Vunreg to an Analog to Digital (A/D) port on the micro. The more negative –Vunreg gets, the less of a value the A/D will read. And when –Vunreg is negative enough, the micro switches the 230V relays ON and not the 208V relays. The relays are interlocked so that it is not possible to switch in both the 208V and the 230V relays ON at the same time. This function needs to be calibrated by storing in the EEPROM the value obtained at the A/D port for a line input of 220Vac.

2. 19              208/240 DLB relays, 19a, 19b, 19c, 19d

The Voltage Sense Relays switch either the 208V or the 240V relays ON, but not both at the same time. The 208V relays route power to different windings on the transformers that goes to the magnetrons and the fan and light circuits than does the 240V relays. This insures that no matter whether the line voltage is 208V or 240V, the magnetron and the fan and light are not over-voltaged. The 208V Mag 2 and Mag 3 outputs of the 3TC  also go to the Front and Rear Kal rods of the Combi oven. But the Combi is only used with 208V; there is no 240V option for the Combi.

The Cal rods in a Combi oven must be able to stay ON in the pre-heat mode when the door is open. But the magnetron must be disabled when the door opens. This means that a separate transistor must fire the magnetron than the Cal rods. But this is only for the Combi oven which only uses 208V. Thus there is no need to use a separate transistor for the 240V transistor since it is only operating magnetrons which must go off with the door open. But all magnetrons and Cal rods must go through the watch-dog so the micro by itself can not start a cooking mode, it takes a start key. And if the micro stops functioning, the outputs will be disabled.

2. 20              TCO

The Temperature Cut Off (TCO) switch tells the mP that the magnetrons have gotten too hot. The mP then shuts OFF the magnetrons.

2. 21              Current sense

The Current sense is a hall effect device and has a steel ring around a wire to concentrate the flux density near the hull effect device. The output of the hall effect device is a voltage that is read by the mP through an A/D port to inform the micro what the current of a magnetron is when in Service Mode.

2. 22              RTD PWM

The PWM is a variable Duty Cycle output that has 65536 bits of resolution on a constant period of 64ms. The effect of the PWM is to put an average voltage across a voltage divider network that consists of a known resistance value of 1KW and the changing, unknown resistance value of the RTD. The mP adjusts the PWM so that the voltage across the 1KW resistor will be held constant at about 1V no matter what the RTD value may be. The exact voltage that is maintained across this resistor is determined by calibrating the PWM with a precision resistor for the RTD at the factory. The accuracy of this calibrated voltage is maintained by adjusting the PWM such that a small change in the PWM resolution will cause the A/D reading across the 1KW resistor to change by one A/D count, and a small change in the other direction will cause the A/D count to also change in the opposite direction so that the value of the voltage across the 1KW resistor can be known within the accuracy of the PWM. Then, since the voltage across the 1KW is known and the PWM across the series combination of the RTD and the 1KW is known, then the resistance of the RTD can be determined within the accuracy of the PWM. This translates directly into the value of the temperature that corresponds to the value of the resistance of the RTD.


 

3                       Extreme Control Conditions

 

3. 1                 Line Voltage Extremes

The control is expected to operate at the power line voltage extremes of:

Lowest line voltage: 180Vac, 60Hz, freq ±10%

Highest line voltage: 264Vac, 60Hz, freq ±10%

and

Lowest line voltage: 195Vac, 50Hz, freq ±10%

Highest line voltage: 264Vac, 50Hz, freq ±10%.

 

3. 2                 Operating Temperature

The control is expected to operate in the following temperature extremes:

Lowest temperature:    0.0°C

Highest temperature: 85.0°C

 

4                       Control Worst Case Analysis

 

4. 1                  AC Input

There is one transformers, T1, that is used in the control for both the 208V/240V, 60Hz version and the 230V, 50Hz version. The transformer is rated to operate in an ambient of 105°C; it has class 2 insulation and class B temperature rating. The transformer must supply two secondaries: One will power the relays, the VF display, the Speaker, and the micro; the other will supply the filament current for the VF display. The transformer must survive a hypot test between the two secondaries.

 

4.1.1              Worst Case Scenarios

The Transformer has two worst cases: (Both are at 85°C)

 

A.  The Transformer must be able to supply the maximum power needed at lowest main line voltage.

This requires a measurement of the power supply voltages at the lowest line in the most power consuming state of the control at an ambient of 85°C. We will want to measure this state for the lowest line for both the 60Hz line and the 50Hz line.

 

B.     And the Transformer must not get too hot when supplying maximum power at high line voltage.

This requires a rise of resistance temperature measurement of all the transformer windings at the highest line, lowest frequency, in the most power consuming state, at an ambient of 85°C. It cannot surpass its Class B  temperature rating or its class 2 insulation rating.

 

NOTE 1: Maximum power occurs when both secondaries are loaded to the maximum at 85°C ambient. The most relays and the most optos in the control  that can be activated at one time will be activate and the display will be lit with the maximum number of segments that can be expected.

 

NOTE 2: The worst case conditions for A. above were obtained by putting the appropriate control in the appropriate mode and measure the actual voltages.

 

NOTE 3: The worst case conditions for B. above were obtained by doing a rise of resistance test with the maximum expected load in a thermotron set at 85°C.

 

NOTE 4: Since the Class II power source for UL testing purposes will consist of the transformer, T1, the Diodes, D1 – D4, and the capacitor, C4 and C20, the secondary of the transformer, pins 7 to pin 9, should not get higher than 61Vdc with no load at the maximum UL nominal voltage of 240Vac at lowest ambient operating temperatures of 0°C.

 

4.1.1.1         208V/240V, 60Hz transformer

The low line is 180Vac, both from 55Hz to 65Hz

4.1.1.1.1      T1, 180V, 60Hz. What are output voltages?

Part Number

010-00137-00

Designator, DESCRIPTION

T1, Power Supply Transformer

Supplier

V & F/TECATE S62P4

 

Parameter

Specification

Analysis

Input voltage

180Vac, 60Hz

adjusted to 180.1Vac, 60Hz

OPERATING TEMP.

0°C to 85°C

adjusted to 85°C Ambient

Sec 16, 18 voltage

limit by Display brightness

26.8V  meas full load See NOTE 1

sec 16, 18 rms current

limited by temperature

173.1mA  measured full load@85°C

sec 16, 18 coil temperature

130°C max for Class B

Less than for 264Vac@47Hz 4.1.1.2

Sec 13, 15 voltage

limited by display ghosting

4.32Vpk  meas full load See NOTE 2

sec 13, 15 rms current

limited by temperature

95.72mA measured full load@85°C

sec 13, 15 coil temp

130°C max for Class B

Less than for 264Vac@47Hz 4.1.1.2

BOTH sec POWER AT 85°C

limited by temperature

3.84W SEC measured

Primary rms current

limited by temperature

36.3mA measured full load@85°C

power AT Pri consumed

limited by temperature

6.01W  measured full load@85°C

Pri coil temperature

130°C max for Class B

Less than for 264Vac@47Hz 4.1.1.2

NOTE 1: Display was still bright enough at this line voltage.
NOTE 2: No Ghosting was observed. The resistors R13 and R14 can be changed if ghosting is observed.



Hi line is 264Vac

4.1.1.1.2      T1, 264V, 60Hz. What is winding temperatures

Part Number

010-00137-00

Designator, DESCRIPTION

T1, Power Supply Transformer

Supplier

V & F/TECATE S62P4

 

Parameter

Specification

Analysis

Input voltage

264Vac, 60Hz

adjusted to 264Vac, 60Hz

OPERATING TEMP.

0°C to 85°C

adjusted to 85°C Ambient

Sec 16, 18 voltage

60.0Vdc max

49.6Vpk measured full load@85°C

sec 16, 18 rms current

limited by temperature

Same as for 264Vac@47Hz 4.1.1.2

sec 16, 18 coil temperature

130°C max for Class B

Less than for 264Vac@47Hz 4.1.1.2

Sec 13, 15 voltage

3.9Vpk

Same as for 264Vac@47Hz 4.1.1.2

sec 13, 15 rms current

limited by temperature

Same as for 264Vac@47Hz 4.1.1.2

sec 13, 15 coil temp

130°C max for Class B

Less than for 264Vac@47Hz 4.1.1.2

BOTH sec POWER AT 85°C

limited by temperature

Same as for 264Vac@47Hz 4.1.1.2

Primary rms current

limited by temperature

Less than for 264Vac@47Hz 4.1.1.2

power AT Pri consumed

limited by temperature

Less than for 264Vac@47Hz 4.1.1.2

Pri coil temperature

130°C max for Class B

Less than for 264Vac@47Hz 4.1.1.2

 

Maximum UL output voltage occurs with no load at 240Vac line input

4.1.1.1.3      T1, 240V, 60Hz. What is the maximum unloaded voltage output?

Part Number

010-00137-00

Designator, DESCRIPTION

T1, Power Supply Transformer

Supplier

V & F/TECATE S62P4

 

Parameter

Specification

Analysis

Input voltage

240Vac, 60Hz

adjusted to 241Vac rms, 60Hz

OPERATING TEMP.

0°C to 85°C

adjusted to 0°C Ambient

Sec 16, 18 voltage

60.0Vdc max at rectifier

60.1Vpk NO load   See NOTE 1

sec 16, 18 rms current

limited by temperature

negligible 

sec 16, 18 coil temperature

130°C max for Class B

Less than for 264Vac@47Hz 4.1.1.2

Sec 13, 15 voltage

3.9Vpk

Less than for 264Vac@47Hz 4.1.1.2

sec 13, 15 rms current

limited by temperature

Less than for 264Vac@47Hz 4.1.1.2

sec 13, 15 coil temp

130°C max for Class B

Less than for 264Vac@47Hz 4.1.1.2

BOTH sec POWER AT 85°C

limited by temperature

Less than for 264Vac@47Hz 4.1.1.2

Primary rms current

limited by temperature

15.8mA  measured NO load@0°C

power AT Pri consumed

limited by temperature

2.11W  measured NO load@0°C

Pri coil temperature

130°C max for Class B

Less than for 264Vac@47Hz 4.1.1.2

NOTE 1: With diode drops the UL voltage at the rectifier output is less than the max required 60.0V. Also, the open circuit voltage is not expected change with temperature since the rise of resistance will be negligible in series with an open.

 

 

4.1.1.2         230V, 50Hz transformer

The 208V/240V, 60Hz transformer is the same transformer to be used for the 230V, 50Hz control. The 230V, 50Hz also has the 208V/240V relays,. The maximum load will be the same as for the 208V/240V, 60Hz control. Hi line temperature test must be done at 264V at 45Hz; the low line sufficiency test must be done at 180V at 45Hz.

4.1.1.2.1      T1; 230V, 50Hz, max temperature

Part Number

010-00137-00

Designator, DESCRIPTION

T1, Power Supply Transformer

Supplier

V & F/TECATE S62P4

Parameter

Specification

Analysis

 

Input voltage

264Vac, 47Hz

adjusted to 260Vac, 47Hz

 

OPERATING TEMP.

0°C to 85°C

adjusted to 85°C Ambient

 

Sec 16, 18 voltage

60.0Vdc max

49.2Vdc measured full load@85°C

 

sec 16, 18 rms current

limited by temperature

155.1mA measured full load@85°C

 

sec 16, 18 coil temperature

130°C max for Class B

118°C    measured full load@85°C

 

Sec 13, 15 voltage

3.9Vpk limited by Z1

6.72Vpk meas full load  See NOTE 1

 

sec 13, 15 rms current

limited by temperature

125mA   measured full load@85°C

 

sec 13, 15 coil temp

130°C max for Class B

 112°C   measured full load@85°C

 

BOTH sec POWER AT 85°C

limited by temperature

5.31W   measured full load@85°C

 

Primary rms current

limited by temperature

65.1mA  measured full load@85°C

 

power AT Pri consumed

limited by temperature

11.92W  measured full load@85°C

 

Pri coil temperature

130°C max for Class B

125°C    measured full load@85°C

 

NOTE 1: No Ghosting was observed. The resistors R13 and R14 can be changed if ghosting is observed.

Also, the control was left running at 264Vrms, 47Hz,  in 85°C at full load for 5 days without failure.

 

4.1.1.2.2      T1; 230V, 50Hz, power sufficiency

Part Number

010-00137-00

Designator, DESCRIPTION

T1, Power Supply Transformer

Supplier

V & F/TECATE S62P4

 

Parameter

Specification

Analysis

Input voltage

180Vac, 47Hz

adjusted to 183Vac, 47Hz

OPERATING TEMP.

0°C to 85°C

adjusted to 85°C Ambient

Sec 16, 18 voltage

60.0Vdc max

31.8Vdc  measured full load@85°C

sec 16, 18 rms current

limited by temperature

175mA   measured full load@85°C

sec 16, 18 coil temperature

130°C max for Class B

Less than for 264Vac@47Hz 4.1.1.2

Sec 13, 15 voltage

3.9Vpk

4.36Vpk measured full load@85°C

sec 13, 15 rms current

limited by temperature

95.8mA  measured full load@85°C

sec 13, 15 coil temp

130°C max for Class B

Less than for 264Vac@47Hz 4.1.1.2

BOTH sec POWER AT 85°C

limited by temperature

Less than for 264Vac@47Hz 4.1.1.2

Primary rms current

limited by temperature

Less than for 264Vac@47Hz 4.1.1.2

power AT Pri consumed

limited by temperature

Less than for 264Vac@47Hz 4.1.1.2

Pri coil temperature

130°C max for Class B

Less than for 264Vac@47Hz 4.1.1.2

4. 2                 DC Power Supply

The DC Power Supply consists of D1-D4, D24-D27, C1-C4, C20, C6-C7, R3-R4, R53-R56, Q1-Q2, Q6, Q11, Z1-Z2, Z4. The diodes D1-D4 and C4 and C20 supply a full-wave bridge rectifier filtered by C4 and C20 called -Vunreg. It is unregulated and is subject to changes in the AC secondary voltage caused by changes in the line voltage and load on the secondary. Three regulated voltages are derived from the 30V to 60V –Vunreg, a -29Vdc voltage called –Vdisp, a -24Vdc voltage called –VR, and a -5Vdc voltage called –VCC.

 

The –Vunreg supply consists of D1-D4, and C4 and C20.
     It is designed to go from 29Vdc up to at most 60Vdc.

 

The –Vdisp supply consists of D24-D26, C6, C7, R53-R56, Q1, Q6, Q11, Z1, and Z4.

     Calculations show that it can go from 25.85V to 31.1V. See bottom of section 4.2.18

The –VR supply consists of D27, C1, C3.

     Calculations show that it can go from 22.2V to 26.8V. See bottom of section 4.2.18

The –VCC supply consists of R3-R4, Z2, Q2, C2.

     Calculations show that it can go from 4.66V to 5.629V. See bottom of section 4.2.22

 

4.2.1              Worst Case for D1-D4

 

4.2.1.1         D1-D4

Part Number

003-00022-00

Designator, DESCRIPTION

 D1 – D4  , DIODE, 1N4007

Supplier

 

 

Parameter

Specification

Analysis

Peak Reverse Voltage

1000V = VRRM

< 85V

Avg Forward Current

1A

< 50mA   See Note 1

Forward Surge current

30A

< 15A start up surge. See Note 1

Max reverse current

50mA @ VRRM

no effect

Power Dissipation

~0.65W

Cool ~210mW = .3A X .7V

Junction Temperature

175°C max

 

Therm Resis Junc to amb.

???? °C/W

no reference.

NOTES:

1. Used same PSpice circuit as for C4 and C20 below. The PSpice is at: PSpice\full bridge power supply.sch.

 

4.2.2              Worst Case for C4, C20

The highest value of voltage across C4 and C20 occurs at minimum load and maximum line voltage of 264Vac.

4.2.2.1         C4, C20 

Part Number

002-00308-00

Designator, DESCRIPTION

C4, C20 47mF, 63V, 20%, ALUMINUM ELECTRILYTIC CAPACITOR

Supplier

 

 

Parameter

Specification

Analysis

Voltage

63V

60V

tolerance

20%

 

Operating temp range

-40°C to 85°C

~ 7°C above ambient.

Cap change over range

-20%@-40°C / +15%@+85°C

 

Dissipation factor

9% @ 120Hz

ESR > 2.5W

leakage @ 25°C

30mA

 

Ripple current

150mA

< 107mA rms See note 1 below

Notes:

1.    The worst case Ripple Current for either C4 or C20 occurs at the highest line voltage with the greatest load at 85°C ambient with the minimum transformer resistance with the minimum ESR with the capacitor in question at its maximum tolerance and the other at its minimum tolerance. The load will not draw more than 120mA. The bridge voltage will not get higher than 50V. With a transformer resistance of 17.61W at 20°C, the rise of resistance calculation shows that this resistance is 16.1W at 0°C. The ESR = 10000*DF/(2*p*f*CmF) is 2.54W minimum. The capacitance tolerance will not get higher than 56.4mF and not lower than 37.6mF. With these assumptions drawn in the schematic, Pspice shows that the ripple current will never get more than 108mA_rms after 3.5 seconds. PSpice shows that the Ripple Current is not effected by frequency. So there is no additional concern for the 50Hz models. The PSpice file is at: PSpice\full bridge power supply.sch .

4.2.3              Worst Case for Q1

4.2.3.1         Q1

Part Number

004-00043-00

Designator, DESCRIPTION

Q1, NPN-TRANSISTOR, MPSA06

Supplier

 

 

Parameter

Specification

Analysis

Vceo max

80V

31V normal, 60V one time start up

vcbo max

80V

31V normal, 60V one time start up

vebo max

4V

~0V

I c max

500mA

< 200mA rms  NOTE 1,3

Operating Temp range

155°C max

 

Hfe

50 min

 

vce(sat)max

.25V max

 

vbe(sat)max

1.2V max

 

pd @ TA =  85°C

625mW @ 25°C

244mW

Derate 5.0MW/°C over 25C

325mW @ 85°C

244mW  NOTE 2

NOTE: See PSpice circuit.
1. Maximum rms current occurs at a secondary of 40V and maximum load.
2. Maximum power dissipation occurs when the secondary is 60V and the load in minimal.
3. Cycle testing the Switch mode power supply 20,000 times at random places on the line phase in 85°C and then checking to see if all the relays can be switched ON, shows that the switcher is robust in this respect even though the one time charge current may exceed 800mA. There were no failures.


 

4.2.4              Worst Case for R53

4.2.4.1         R53

Part Number

001-00013-00

Designator, DESCRIPTION

R53, RES CARBON 470W .25W 5%

Supplier

 

 

Parameter

Specification

Analysis

POWER AT 70°c

0.25W

8.51mW

Derate 2.94W/°C Above 70°C

200mW @ 85°C

8.51mW

Vmax

250V

1.2V  max VQ1 BE sat

TOLERANCE

5%

no effect

OPERATING tEMPERATURE

-40°C to +155°C

 

TEMP COEFF.

100 PPM/°C typ

no effect

 

4.2.5              Worst Case for Q6

4.2.5.1         Q6

Part Number

004-00011-00

Designator, DESCRIPTION

Q6, TRANSISTOR-PNP (2N29O7A)

Supplier

 

 

Parameter

Specification

Analysis

VCEo

60V

60V

Vcbo

60V

60V

vebo

5V

~0

Ic continuous

600mA

< 5mArms, 15mA peek after start

Pd @ Ta=25°C

625mW

< 5mW See Note 1

Pd @ Tamb = 85°C

325mW

< 5mW

Oper Junction temp

125°C

~85°C max

HFe

50 min

no effect

NOTE:
1.  PSpice shows that maximum current and power occurs with 60V line and minimum load.

4.2.6              Worst Case for R54

4.2.6.1         R54

Part Number

001-00012-00

Designator, DESCRIPTION

R54, RES CARBON 22K .25W 5%

Supplier

 

Parameter

Specification

Analysis

 

POWER AT 70°c

0.25W

< 163mW

 

Derate 2.94W/°C Above 70°C

200mW @ 85°C

< 163mW

 

Vmax

250V

60V

 

TOLERANCE

5%

no effect

 

OPERATING tEMPERATURE

-40°C to +155°C

 

 

TEMP COEFF.

100 PPM/°C typ

no effect

 

 

4.2.7              Worst Case for R55

The highest power that R55 can dissipate would be the value at which the input voltage gets just low enough to stop switching so that a constant voltage would appear across R55. Any higher voltage would cause the switcher to start switching, and no higher power would be dissipated across R55 since the whole purpose of the switcher is to maintain the same power from the input, which power would include that dissipated by R55.

4.2.7.1         R55

Part Number

001-00061-00

Designator, DESCRIPTION

R55, RES CARBON 1.8K .50W 10%

Supplier

 

 

Parameter

Specification

Analysis

POWER AT 70°c

0.50W

403mW  See Note 1

Derate 5.88mW/°C Above 70°C

412mW @ 85°C

403mW

Vmax

350V

40V duty cycle changes with load.

TOLERANCE

5%

no effect

OPERATING tEMPERATURE

-55°C to +155°C

 

TEMP COEFF.

100 PPM/°C typ

no effect

NOTE:
1. PSpice shows a maximum dissipation for R55 of 403mW at 40V line and maximum load. The actual power consumption is expected to be less than the PSpice model. And actual measurements of the voltage across this resistor measure 3V, not what PSpice predicts.

 

4.2.8              Worst Case for L1

 

4.2.8.1         L1

Part Number

063-00005-01

Designator, DESCRIPTION

L1, INDUCTOR 330 UH

Supplier

 

 

Parameter

Specification

Analysis

minimum current

137mA

136.2mA from 3.63W with 27Vdisp

DC resistance

6.4W

no effect

Tolerance

10%

no effect

Operating Temperature

-20°C to +105°C

no effect

NOTE: The current was obtained with this PSpice circuit. The rms current will be less for the normal case in which Vunreg is less than that in this circuit.


 

4.2.9              Worst Case for D25

 

4.2.9.1         D25

Part Number

003-00124-00

Designator, DESCRIPTION

D25, DIODE, 1N4454

Supplier

 

 

Parameter

Specification

Analysis

Peak Reverse Voltage

75V = VRRM

< 60V

Avg Forward Current

200mA

< 30mA   See Note 1

Forward Surge current

1A for 1s, 4A for 1ms

< 1.4A for less than 25ms

Max reverse current

2mA @ VRRM=50V

no effect

Junction Temperature

175°C max

Cool ~80mW = .08A X 1V

Power Dissipation

500mW

80mW

derate 2.85mW/°C above 25°C.

329mW @ 85°C

80mW

NOTES:
1. Line voltage at 40V, and maximum load. D25 rms current is less than 80mA.

 

4.2.10           Worst Case for D26

 

4.2.10.1      D26

Part Number

003-00124-00

Designator, DESCRIPTION

D26, DIODE, 1N4454

Supplier

 

 

Parameter

Specification

Analysis

Peak Reverse Voltage

75V = VRRM

32.4V

Avg Forward Current

200mA

20mA

Forward Surge current

1A for 1s, 4A for 1ms

1A for 30ms

Max reverse current

2mA @ VRRM=50V

no effect

Junction Temperature

175°C max

 

Power Dissipation

500mW

12mW, PSpice, 40V, full load

derate 2.85mW/°C above 25°C.

329mW @ 85°C

12mW, PSpice, 40V, full load

 


 

4.2.11           Worst Case for C6

 

4.2.11.1      C6

Part Number

002-00216-00

Designator, DESCRIPTION

C6, CAP RADIAL ALUMINUM 100UF 50V 20%

Supplier

 

 

Parameter

Specification

Analysis

Voltage

50V

32.4V

tolerance

20%

 

Operating temp range

-55°C to 105°C

~ 7°C above ambient.

Cap change over range

+/-20% over range

 

Dissipation factor

10% @ 120Hz

1.37W

leakage @ 25°C

150mA

 

Ripple current

160mA @ 120Hz @ 105°C

< 20mA rms PSpice, 40V, full load.

 

 

4.2.12           Worst Case for Z4

 

4.2.12.1      Z4

Part Number

003-00079-00

Designator, DESCRIPTION

Z4, DIODE ZENER 1N5252, 24V .50W

Supplier

 

 

Parameter

Specification

Analysis

Vz

24V @ 5.2mA

22.3V@-20°C to 26.5V@85°C

Tolerance

5%

 

Maximum Junction Temp

200°C

 

Temp coefficient

0.088%/°C

 

Pd@85°C

500mW

16mW See Note 2

NOTES:

1. Low range is 24V*0.95*(1+0.00088*(-25)) = 22.2984V,
hi range is 24V*1.05*(1+0.00088*(60)) = 26.531V. This works fine since we need more voltage at higher temperatures to fire the relays.
2. PSpice shows that rms current is about 1mA and average power is about 16mW.


 

4.2.13           Worst Case for R56

 

4.2.13.1      R56

Part Number

001-00132-00

Designator, DESCRIPTION

R56, RES CARBON 1K .25W 5%

Supplier

 

 

Parameter

Specification

Analysis

POWER AT 70°c

0.25W

4mW

Derate 2.94W/°C Above 70°C

200mW @ 85°C

4mW

Vmax

250V

2V                             VBE(sat) of Q11

TOLERANCE

5%

no effect

OPERATING tEMPERATURE

-40°C to +155°C

 

TEMP COEFF.

100 PPM/°C typ

no effect

 

 

4.2.14           Worst Case for Z1

Z1 must handle all the relay current.

4.2.14.1      Z1

Part Number

003-00097-00

Designator, DESCRIPTION

Z1, DIODE, ZENER, 1N4730, 3.9V

Supplier

 

 

Parameter

Specification

Analysis

Vz

3.9V @ 64mA

3.65V to 4.28V  See Note 1

Tolerance

5%

 

VR reverse voltage

1V @ 50mA

 

Maximum Junction Temp

200°C

 

Temp coefficient

0.07%/°C

 

Pd@50°C Ambient

1W

468mW See Note 2

derate 6.67mW/°C above 50°C

600mW @ 85°C

468mW

Isurge

890mA

 

PS, Surge Power

10W 8.3ms ambient 55°C

 < 8.21W     See Note 3

NOTES:
1.
Low range is 3.9V*0.95*(1+0.00077*(-20)) = 3.65V,
hi range is 3.9V*1.05*(1+0.00038*(+60)) = 4.28V
2. PZ1=IZ1*VZ1=(6*(VR/1912W*0.9) + 3*(VR-1.15V)/4700W*.95)*VZ1=468mW.
With VR= 26.5V,  VZ1=4.28,  R59, R60, and R65 are 4700W, 1-10-00.
3. PS < Isurge*VZ1 = 1.5Amax*5.477V = 8.2155W for 8.3.
Current immediately goes down from 1.3A to 0.5A in 5ms. So actual surge power is less than 8.21W.

4.2.15           Worst Case for D27

 

4.2.15.1      D27

Part Number

003-00124-00

Designator, DESCRIPTION

D27, DIODE, 1N4454

Supplier

 

 

Parameter

Specification

Analysis

Peak Reverse Voltage

75V = VRRM

27.3V

Avg Forward Current

200mA

125mA

Forward voltage

.55Vmin,1mA;1.0Vmax,10mA

 

Forward Surge current

1A for 1s, 4A for 1ms

1.3A for 800ms  PSpice.

Max reverse current

2mA @ VRRM=50V

 

Junction Temperature

175°C max

 

Power Dissipation

500mW

123mW  PSpice, 40V, full load.

derate 2.85mW/°C above 25°C.

329mW @ 85°C

123mW

 

4.2.16           Worst Case for C1

 

4.2.16.1      C1

Part Number

002-00216-00

Designator, DESCRIPTION

C1, CAP RADIAL ALUMINUM 100UF 50V 20%

Supplier

 

 

Parameter

Specification

Analysis

Voltage

50V

27.3V

tolerance

20%

 

Operating temp range

-55°C to 105°C

~ 7°C above ambient.

Cap change over range

+/-20% over range

 

Dissipation factor

10% @ 120Hz

1.3W,  6.5mW

leakage @ 25°C

150mA

 

Ripple current

160mA @ 120Hz @ 105°C

< 70mA rms  PSpice.

 


 

4.2.17           Worst Case for Q11

4.2.17.1      Q11

Part Number

004-00011-00

Designator, DESCRIPTION

Q11, TRANSISTOR-PNP (2N29O7A)

Supplier

 

 

Parameter

Specification

Analysis

VCEo

60V

60V

Vcbo

60V

60V

vebo

5V

~0

VCe(sat)

0.4V max

 

VBE(SAT)

0.5V to 0.8V @Ic=5mA,

 

Ic continuous

600mA

< 4mA     See Note 1

Pd @ Ta=25°C

625mW

12mW    See Note 1

Pd @ Tamb = 85°C

325mW

12mW

Oper Junction temp

125°C

 

HFe

50 min

 

NOTE:
1. PSpice shows that maximum current for Q11 occurs at 60V, no load.

4.2.18           Worst Case for D24

4.2.18.1      D24

Part Number

003-00124-00

Designator, DESCRIPTION

D24, DIODE, 1N4454

Supplier

 

 

Parameter

Specification

Analysis

Peak Reverse Voltage

75V = VRRM

60V

Avg Forward Current

200mA

1.25mA   PSpice 40V, full load

Forward Surge current

1A for 1s, 4A for 1ms

13mA      PSpice 40V, full load

Max reverse current

2mA @ VRRM=50V

 

Junction Temperature

175°C max

 

Power Dissipation

500mW

1mW       PSpice 40V, full load

derate 2.85mW/°C above 25°C.

329mW @ 85°C

1mW       PSpice 40V, full load

Voltages:

Thus the worse case supply voltages can be calculated as follows:

For VR: VZ4 is 22.3V@-20°C to 26.5V@85°C and VBE(SAT) is 0.5V to 0.8V @Ic=5mA and VD27 is 0.55Vmin,1mA;1.0Vmax,10mA.
And so VR can go from 22.2V to 26.8V

For Vdisp: VZ1 is 3.65V to 4.28V.
And so Vdisp can go from 25.85V to 31.1V

4.2.19           Worst Case for Z2

4.2.19.1      Z2


Part Number

003-00050-00

Designator, DESCRIPTION

Z2, DIODE, 5.6V ZENER, 1N5232B

Supplier

 

 

Parameter

Specification

Analysis

Vz

5.6V @ 1mA

5.168V to 6.129V        See Note 1

Tolerance

7%

 

Maximum Junction Temp

200°C

 

VR

 

 

Temp coefficient

0.038%/°C

 

Pd@85°C

450mW

14.89mW                  See Note 2

NOTES:

1. Low range is 5.6V*0.93*(1+0.00038*(-20)) = 5.168V,
hi range is 5.6V*1.07*(1+0.00038*(60)) = 6.129V

2. PZ2=IZ2*VZ2=((Vdisp-VZ2min)/R2)*VZ2. Vdisp max = 31.1V, VZ2min = 5.168V,
 R2 = 10K*0.90W. This gives a PZ2 =14.89mW.

 

4.2.20           Worst Case for R4

 

4.2.20.1      R4

Part Number

001-00015-00

Designator, DESCRIPTION

R4, RES CARBON 10K .25W 5%

Supplier

 

 

Parameter

Specification

Analysis

POWER AT 70°c

0.25W

70.8mW

Derate 2.94W/°C Above 70°C

200mW @ 85°C

70.8mW

Vmax

250V

25.93V

TOLERANCE

5%

no effect

OPERATING tEMPERATURE

-40°C to +155°C

 

TEMP COEFF.

100 PPM/°C typ

no effect

 


 

4.2.21           Worst Case for R3

 

4.2.21.1      R3

Part Number

001-00378-00

Designator, DESCRIPTION

R3, RES CARBON 470 .5W 5%

Supplier

 

 

Parameter

Specification

Analysis

POWER AT 25°c

0.5W

188mW

1.56mW/°C dERATINg

0.400W @ 85°C

188mW

Vmax

200V

9.4Vmax   See Note 1

TOLERANCE

5%

no effect

OPERATING tEMPERATURE

-40°C to +155°C

0°C to 85°C

TEMP COEFF.

100 PPM/°C typ

no effect

NOTE:
1. This assumes ICC 20mA max. But measurements show Icc at ~10mA.

 

4.2.22           Worst Case for Q2

 

4.2.22.1      Q2

Part Number

004-00088-00

Designator, DESCRIPTION

Q2, TRANSISTOR-PNP (MPSW56 PNP 80V .5A)

Supplier

 

 

Parameter

Specification

Analysis

VCEo

80V

27.17V

Vcbo

80V

27.17V

vebo

4V

~0

Ic continuous

500mA

10.5mA               typical

VCE(SAT)

0.5V  @Ic=250mA, Ib=10mA

 

VBE(SAT)

1.2V

 

Pd @ Ta=25°C

1000mW

235.8mW     See Note 1

derate 8.0mW/°C

520mW

235.8mW

Oper Junction temp

155°C

 

HFe

50 min

 

NOTE:
1.  I measured two control and found the Icc current to be 10mA. This actually went down slightly when relays were activated.

Voltages:

Thus the worse case supply voltages can be calculated as follows:
For VCC: VZ2 is 5.168V to 6.129V   and VBE(SAT)Q2 is 0.5Vmax @Ic=10mA.
And so VCC can go from 4.668V to 5.629V which is within limits.


4.2.23           Worst Case for C2

 

4.2.23.1      C2

Part Number

002-00188-00

Designator, DESCRIPTION

C2, CAP1OUF 16V RADIAL TANTAL

Supplier

 

 

Parameter

Specification

Analysis

Voltage

16V

6.1297V

tolerance

10%

 

Operating temp range

-55°C to 105°C

 

Cap change over range

+/-10% over range

 

Dissipation factor

6% @ 120Hz

 

leakage @ 25°C

2mA

 

Ripple current

no reference

 

 

4. 3                 AC on DC

The AC on DC block consists of R15 and Q3. –VR of the DC power supply is connected to the filament voltage secondary center tap. The display’s anode current flows from –VR to the center tap of the Filament secondary, from the center tap through both halves of the secondary, into both ends of the filament wire in the display, then from the filament inside the display to the phosphorous covered anode when the grid is not more negative than the filament and when there is a more positive voltage on the anode than on the filament, then the current continues from the anodes into the micro’s output transistor to circuit ground. Near the peaks of the filament secondary voltage, Q3 is turned on through R15, and Q3 provides a momentary short to –VR to the RESET circuit and the Real Time Reference circuit.

 

4.3.1              Worst Case for R15

The AC voltage across R15 can get as hi as 4.1Vac. And we can assume that the maximum power will be ½ the power than if the base-emitter is shorted out because current flows only ½ the time. The other half the time, the emitter-base junction is reversed biased and current can’t flow.

 

4.3.1.1         R15

Part Number

001-00015-00

Designator, DESCRIPTION

R15, RES CARBON 10K .25W 5%

Supplier

 

 

Parameter

Specification

Analysis

POWER AT 70°c

0.25W

1.68mW

Derate 2.94W/°C Above 70°C

200mW @ 85°C

1.68mW

Vmax

250V

4.1V measured

TOLERANCE

5%

 

OPERATING tEMPERATURE

-40°C to +155°C

0.0°C TO 85°C

TEMP COEFF.

100 PPM/°C typ

 

 

 

4.3.2              Worst Case for Q3

 

4.3.2.1         Q3

Part Number

004-00005-00

Designator, DESCRIPTION

Q3, NPN-TRANSISTOR, 2N2222A

Supplier

 

 

Parameter

Specification

Analysis

Vceo max

40V

27.5V

vcbo max

75V

27.5V

vebo max

5V

~0V

I c max

800mA

177mA

Operating Temp range

125°C max

 

Hfe

40 min

 

vce(sat)max

1V max

 

vbe(sat)max

2V max

 

pd @ 85°C

500mW max

< 4.68mW =26.5V * 177mA

 

 

4. 4                 CPU

The CPU block consists of  the microprocessor, U1 and the EEPROM, U7, R78, R79, R103, C12. J6 provides a method of reprogramming the memory of the EEPROM for various configurations of this control.

 

4.4.1              Worst Case for R78, R79

 

4.4.1.1         R78, R79

Part Number

001-00010-00

Designator, DESCRIPTION

R78, R79, RES CARBON 4.7K .25W 5%

Supplier

 

 

Parameter

Specification

Analysis

POWER AT 70°c

0.25W

6.38mW

Derate 2.94W/°C Above 70°C

200mW @ 85°C

6.38mW

Vmax

250V

5.477V

TOLERANCE

5%

no effect

OPERATING tEMPERATURE

-40°C to +155°C

 

TEMP COEFF.

100 PPM/°C typ

no effect

 


 

4.4.2              Worst Case for R103

 

4.4.2.1         R103

Part Number

001-00048-00

Designator, DESCRIPTION

R103, RES CARBON 47K .25W 5%

Supplier

 

 

Parameter

Specification

Analysis

POWER AT 70°c

0.25W

638mW

Derate 2.94W/°C Above 70°C

200mW @ 85°C

638mW

Vmax

250V

5.477V

TOLERANCE

5%

no effect

OPERATING tEMPERATURE

-40°C to +155°C

 

TEMP COEFF.

100 PPM/°C typ

no effect

 

 

4.4.3              Worst Case for C12

 

4.4.3.1         C12

Part Number

002-00184-00

Designator, DESCRIPTION

C12, CAP .47MF AXIAL MON-CER.

Supplier

 

 

Parameter

Specification

Analysis

TOLERANCE

-20%/+80% (-10°C to 85°C)

 

tEMPERATURE cOEFF.

20%/+80% (-10°C to 85°C)

 

vOLTAGE

50V

5.477V

OPERATING TEMPERATURE

-10°C to +85°C

0°C to 85°C

DISSIPATION FACTOR

4% @ 1KHz

 

leakage crrent

0.0235mA @ 25°C

 

 

 

 

 

 


 

4.4.4              Worst Case for U1

 

4.4.4.1         U1

Part Number

053-00339-00

Designator, DESCRIPTION

U1, MICRO, HMCS6433712

Supplier

HITACHI

 

Parameter

Specification

Analysis

supply voltage

-0.3V to +7.0V

0V to 5.47V

Programming voltage

-0.3V to +14.0V

not programmed in circuit

Analog supply voltage

-0.3V to +7.0V    AVCC

0V to 5.47V

analog input voltage

-0.3 to AVCC+0.3V

0V to 5.47V

standard pin voltage

-0.3V to VCC+0.3V

See Note 2

high voltage pins

VCC-45V to VCC+0.3V

-32.67V to 0V

operating temp range

-20 to 75°C tested to 105°C

0 to 85°C See Note 3

max standard sink curr.

2mA rms

1.3mA instantaneous   See Note 4

Max standard source I

2mA rms

1mA rms                      See Note 4

max hi volt source I

20mA rms

4.8mA rms                   See Note 5

Total sink current

50mA rms

3.456mA rms               See Note 6

Total source current

150mA rms

124mA rms                    See Note 7

rec operating voltage

4.0V to 5.5V

4.48V to 5.47V  See Note 1

Rec op range for Vdisp.

VCC-40V to VCC

0 to 32.67V

operating freq range

2MHz  to 8.4MHz

8MHz

NOTES:

1                With a Z2 which has a 6.07V max  at 105°C and  a Q2 minimum Vbe drop of 0.6V at 105°C (See National Semi book 570252-001), This gives a max U1 supply voltage of 5.47V. And when Z2 has a 5.28V min at 0°C and Q2 max Vbe drop of 0.8V at 0°C, the min U1 supply voltage is 4.48V.

2                All inputs are between –0.3V and  mVCC+0.3V accept pin 32 and pin 28 may go as hi as VD7 above VCC. Cycle testing has shown that even in 85°C ambient, the control will start and function even though the RESET pin voltage may be higher than absolute maximum ratings for this pin. If problems should arise, we may wish to use a germanium diode which had only about a 0.3V forward voltage.

3                This micro has been tested by xxxxx at 105°C and has passed our qualification testing.

4                1.3mA can flow from SCL or SDA if pulled low and left in that state. But during communications with the EEPROM, these pins are toggling and the rms current would be ½  this, or 647mA. When communications stop, these pins are (or should be) put in a tri-stated condition. There is no source current since a hi is achieved by pulling up infinite resistance inputs of the EEPROM.

The PWM is specifically designed to provide a 1mA output. So the average voltage across C10 is 1V. Thus, when the PWM output is pulled low, it will sink up to 1V/RTDmin = 1V/1200W = 833mA. But when the PWM goes hi, the instantaneous current can be as hi as 5.47V/1.5KW = 10mA. After the C10 charges to 1V, this drops to 4.47V/1.5W = 2.98mA. But again, the rms current remains 1mA.

If the REFout is used, it will source 1.97mA. But it is only used momentarily for comparison purposes with the PWM circuit. The rms value would be close to zero. There is no sink current.

So, the maximum instantaneous sink current from a 5V pin is 1.3mA
And the highest rms source current is 1mA.

 

5                The instantaneous max current that can be sourced from a Hi voltage output pin comes from pin 32. It occurs when C16 has been charged to Vdisp but C17 has not been charged at all and acts like a dead short when R22 is switched to GND through the mP to discharges C16 into C17. This current can be Vdisp/R22 = 32.67V/470W=69.5mA. This is a one time, very short pulse. However, the rms current, Irms = sqrt(P/R22) = sqrt((CV2f/2)/R22) = 10.7mA. This is the most current that pin 32 must supply. But it only occurs at start up when C17 acts like a dead short to ground. After C17 is charged, the most current that can go through pin 32 is Vdisp/47KW=695mA for this is the maximum current that must be replaced by the only current drain through R80.

Similarly, instantaneous pin 43 current can get as high as VR/R83 = 26.5V/470
W=56.4mA. The rms current is 86.4mA. And after C11 should charge to VR, the current needed to maintain this charge is VR/R92=26.5V/100KW=265mA.

Otherwise, the display grids can need up to 14.4mA. But these are pulsed at 1/9th Duty Cycle which amounts to an rms current of ion*sqrt(ton/T) = 14.4mA*sqrt(1/9) = 4.8mA. The anode current can not get as high as the grid current.


6                The total current that can be sunk comes from the standard, 5V, output when low since the hi voltage outputs are open collector outputs connected to mVCC. The standard outputs are pins 2, 3, 4, 5 and 6. Pin 2 can sink 1mA; pin 3 can sink 116mA; pin 4 can sink 1.17mA; pin 5 can sink 1.17mA; and pin 6 will sink none. This is a total of 3.456mA


7                The total source current is the sum of all the 5V output source currents plus all the hi voltage output source currents. The 5V sources are pins 2, 3, 4, 5, and 6. The hi voltage sources are pins 32, 34 – 47, 49 – 64.  The table below lists the outputs, the type of each pin, the instantaneous max current, and the rms current value. At the bottom of the table is the total current that flows through mVcc. It can be seen that the instantaneous current might exceed the rated value. But this is highly improbable, and the maximum value shown for the micro can be assumed to be a rms value. Thus, the worse case, rms value does not exceed the micro rating. Below the table is shown how these numbers were derived.


8               

PIN

TYPE

INSTANTANEOUS
MAX CURRENT

RMS
CURRENT

2

5V

5.47mA

1mA

3

5V

 

~0

4

5V

 

~ 2.18mA

5

5V

 

< 2.18mA

6

5V

2.74mA  0.128%DC

97.8mA

32

Hi Volt

69.5mA

695mA

34

Hi Volt

517mA

517mA

35

Hi Volt

517mA

517mA

36

Hi Volt

517mA

517mA

37

Hi Volt

517mA

517mA

38

Hi Volt

517mA

517mA

39

Hi Volt

517mA

517mA

40

Hi Volt

2.94mA

2.94mA

41

Hi Volt

2.94mA

2.94mA

42

Hi Volt

772mA

772mA

43

Hi Volt

56.4mA

265mA

44

Hi Volt

2.94mA

2.94mA

45

Hi Volt

2.94mA

2.94mA

46

Hi Volt

14.4mA

4.8mA

47

Hi Volt

14.4mA

4.8mA

49

Hi Volt

15.2mA

5.06mA

50

Hi Volt

14.4mA

4.8mA

51

Hi Volt

14.4mA

4.8mA

52

Hi Volt

14.4mA

4.8mA

53

Hi Volt

14.4mA

4.8mA

54

Hi Volt

14.4mA

4.8mA

55

Hi Volt

14.4mA

4.8mA

56

Hi Volt

7mA max 3.5mA typ

7mA

57

Hi Volt

7mA max 3.5mA typ

7mA

58

Hi Volt

7mA max 3.5mA typ

7mA

59

Hi Volt

7mA max 3.5mA typ

7mA

60

Hi Volt

7mA max 3.5mA typ

7mA

61

Hi Volt

7mA max 3.5mA typ

7mA

62

Hi Volt

7mA max 3.5mA typ

7mA

63

Hi Volt

7mA max 3.5mA typ

7mA

64

Hi Volt

7mA max 3.5mA typ

7mA

 

TOTAL

343mA max

124mA

Pin 2: The PWM is designed to provide 1mA through R74.
Pin 3: Is pulled high when open and does not switch fast enough to consider
          capacitance charging.
Pin 4: May oscilate at 100KHz and charge the input capacitance of U7.
          The current would then be Irms = Ppin4/ Vccmax  = ((C*Vccmax2)/2 * f)/ Vccmax.
          With C=8pF, Vccmax=5.47V;   Irms = 2.18mA.
Pin 5: Toggles at a lower frequency than does pin 4. Thus, it will consume less
          power to charge the input capacitance of U7
Pin 6: Only turns on briefly in order to test output transistor drop with changes in
          output and temperature. The lowest RTD is 1KW. And the duty cycle is
           0.00128. Irms = (Vccmax /(RTD + R67))* sqrt(duty cycle) = 97.8mA.
          The duty cycle is 64ms/50ms = .00128
Pin 32: See Note 5.
Pin 34 - 39: VRmax /((47kW+10KW)*0.9) = 516.57mA;  with VRmax  =26.5V.
Pin 40 - 41: VRmax /(10KW *0.9) = 2.944mA.
Pin 42: Vdispmax/(47KW * 0.9) = 772.3mA. For rms = 772.3mA * sqrt(1/9) = 257mA
Pin 43: See Note 5
Pin 44 - 45: VRmax /(10KW * 0.9) = 2.944mA
Pin 46, 47, 50 - 55: From specified max grid current of 14.4mA then multiplied by
                               square root of duty cycle of 1/9 to get rms value = 4.8mA.
Pin 49: From above plus same as pin 42  = 15.17mA,  rms = 5.057mA
Pin 56 - 64: From display spec sheet for max anode current. The anodes could be
                   on contiually and not have a duty cycle, though this is unlikely.

 

4.4.5              Worst Case for U7
U7

Part Number

053-00340-00

Designator, DESCRIPTION

U7, EEPROM, 24C64

Supplier

 

 

Parameter

Specification

Analysis

supply voltage

-0.3V to 6.5V

5.47V  See Note 1 on U1 above.

Rec Operating voltage

4.5V to 5.5V

4.48V to 5.47V  See Note 1 on U1

input voltage

-0.3V to VCC+1V

Same range as VCC.

Supply current max

2mA

 

oper amb temp range

-40 to 125°C

0 to 85°C

Input capacitance sda

8pF

 

Input capacitance other

6pF

 

Clock rise time, trscl

300ns max

150ns    See Note 1 below

Clock fall time, tFscl

300ns max

150ns    See note 1 below.

Sda rise time, trsda

20ns to 300ns

2ms

sda rise time, tfsda

20ns to 300ns

150ns max

write time, Twr

5ms max

 

operating freq range

400KHz max

 

NOTES:

1                Assuming that the slowest time constant to switch the SCL and SDA lines to a high state is determined by the input capacitance of the EEPROM and the pull up resistors of 4.7KW, then since the max input capacitance of the EPROM is 8pF, this gives a time constant of 37.6ns. So there is more than enough time to charge the inputs of EEPROM of the I2C.

2                When the micro expects to read the SDA line, the micro port is configured as an input and appears as an open circuit. The time it takes for the SDA line to charge is then determined by the EEPROM input capacitance and the 47kW pull up resistance of R12. This time constant is 376ns. The micro can and must be programmed to read the port about 2ms after the EEPROM starts to pull the port low.

 

4.4.6              Worst Case for R66

R66 is just a pull up resistor to prevent the input of pin 33 from floating or oscillating

4.4.6.1         R66

Part Number

001-00015-00

Designator, DESCRIPTION

R66, RES CARBON 10K .25W 5%

Supplier

 

 

Parameter

Specification

Analysis

POWER AT 70°c

0.25W

~0 in series with ¥W mP input

Derate 2.94W/°C Above 70°C

200mW @ 85°C

~0 in series with ¥W mP input

Vmax

250V

~0 in series with ¥W mP input

TOLERANCE

5%

no effect

OPERATING tEMPERATURE

-40°C to +155°C

0°C to 85°C

TEMP COEFF.

100 PPM/°C typ

no effect

 

4. 5                 Oscillator

The Oscillator block consists of the crystal, Y1, and R91. The crystal is designed to oscillate at 8MHz.

 

4.5.1              Worst Case for Y1

 

4.5.1.1         Y1

Part Number

054-00038-00

Designator, DESCRIPTION

Y1, CERAMIC RESONATOR, 8MHZ

Supplier

 

 

Parameter

Specification

Analysis

Test circuit uses 5V source

 

5.47V max See Note 1 on U1 above

Oscillating frequency

8MHz

 

Frequency tolerance

± 0.5%

 

Temerature drift

± 0.3% over -20°C to 80°C

 

 


 

4.5.2              Worst Case for R91

 

4.5.2.1         R91

Part Number

001-00458-00

Designator, DESCRIPTION

R91, RES MTL 1MEG .25W 5%

Supplier

 

 

Parameter

Specification

Analysis

POWER AT 70°c

0.25W

29.9mW

Derate 2.94W/°C Above 70°C

200mW @ 85°C

29.9mW

Vmax

250V

5.47V

TOLERANCE

5%

 

OPERATING tEMPERATURE

-40°C to +155°C

0°C to 85°C

TEMP COEFF.

100 PPM/°C typ

 

 

 

4. 6                 Safety Circuit

The Safety Circuit consists of the micro pin 32, R22, R61, R80, R81, C14, C16, C17, D17 – D19, and micro RESET pin 26. The circuit is a watch-dog in case the micro stops execution programmed instructions. Part of the main program loop instructs the micro to toggle pin 32 between GND an opened. This toggling operates a charge pump that establishes a voltage that’s applied to the RESET pin to keep the micro out of RESET. When ON, pin 32 is shorted to GND, when OFF, pin 32 is an open circuit. When pin 32 is open, C16 charges towards –Vdisp through R61, and D17 with positive at the junction of D17 and C16. Then when pin 32 shorts to GND, that junction is raised above GND since D17 then becomes reversed biased at that time. This charges C17 through D18 above GND. This voltage on C17 pulls the micro RESET pin to GND through R80. D19 prevents the voltage of the RESET pin from going any further positive than a diode drop to prevent latchup. Q3 shorts the junction of R81 and R82 to –VR once every 1/60th of a second. If the micro is running normal program instructions, then pin 32 will continue to toggle and the voltage at the RESET pin is not lowered to the RESET level since the charge on C17 is preventing it from going any lower than VCC. However, if normal program instructions are not being executed, then the timer is not toggled, the voltage at the junction of D18 and C17 discharges, and the RESET voltage is momentarily pulled low by Q3 through R81. This puts the micro into RESET. And when Q3 opens during part of the 1/60th of a second, the RESET pin is pulled high to GND again thru R80, D18, and D17, taking the micro out of RESET and reinitializing it so that it will execute normal program instructions, toggle pin 32, and establish the watch dog voltage again.

 

4.6.1              Worst Case for block functionality

The micro requires a RESET after the power is supplied in order to guarantee correct initialization of the processor. And the AC on DC block supplies a possible RESET once every 1/60th of a second. Assuming that C17 is not yet charged, D17 and D18 will become forward biased when Q3 shorts to VR. The voltage divider of R80 and R81 must be such that the RESET pin will drop below the guaranteed logic low level when –VR is at the worst case smallest value it can get. Since R80 is set to 47KW for other timing concerns, and since –VR can get as low as –24 V, R6 must be at most 200KW. So R6 is set to 150KW.


 

4.6.2              Worst Case for R61

The most voltage that R9 should have across it is 36V. The lowest value that R9 could have is 44.65kW. The highest possible dissipation is 29.0mW.

 

4.6.2.1         R61

Part Number

001-00015-00

Designator, DESCRIPTION

R61, 10KW, 1/4W, 5%, Carbon resistor

Supplier

 

 

Parameter

Specification

Analysis

POWER AT 70°c

0.25W

160mW

Derate 2.94W/°C Above 70°C

200mW @ 85°C

160mW See Note 1 below

Vmax

250V

32.67V

TOLERANCE

5%

N/A

OPERATING tEMPERATURE

-40°C to +155°C

 

TEMP COEFF.

100 PPM/°C typ

negligible

NOTES:
1     The power dissipated by R61 is equal to half the power for pin 32 always ON plus whatever power is dissipated to charge C16 for 2000 time a second.

 

4.6.3              Worst Case for R81

 

4.6.3.1         R81

Part Number

001-00314-00

Designator, DESCRIPTION

R81, RES CF/MF 150K .25W 5%

Supplier

 

 

Parameter

Specification

Analysis

POWER AT 70°c

0.25W

3.6mW

Derate 2.94W/°C Above 70°C

200mW @ 85°C

3.6mW

Vmax

250V

26.5V

TOLERANCE

5%

negligible

OPERATING tEMPERATURE

-40°C to +155°C

 

TEMP COEFF.

100 PPM/°C typ

negligible

 


 

4.6.4              Worst Case for C14

The most voltage expected across C7 is 5.47V plus a diode drop, or about 6.17V. We may wich to make C14 a smaller value to ensure that the RESET signal is longer in the RESET zone for better start up conditions.

 

4.6.4.1         C14

Part Number

002-00102-00

Designator, DESCRIPTION

C14, CAP .047UF +-20% 50V

Supplier

 

 

Parameter

Specification

Analysis

TOLERANCE

20%

 

tEMPERATURE cOEFF.

+/-15% over range

 

vOLTAGE

50V

6.17V

OPERATING TEMPERATURE

-40°C to +105°C

 

DISSIPATION FACTOR

2.5% @ 1KHz

 

 

 

4.6.5              Worst Case for C16

C16 can be charged to at most –Vdisp which can at most be 31.1V.

 

4.6.5.1         C16

Part Number

002-00073-00

Designator, DESCRIPTION

C16, CAP .01 UF 20% 50V

Supplier

 

 

Parameter

Specification

Analysis

TOLERANCE

20%

negligible

tEMPERATURE cOEFF.

+/-15% over range

negligible

vOLTAGE

50V

31.1V

OPERATING TEMPERATURE

-40°C to +105°C

negligible

DISSIPATION FACTOR

2.5% @ 1KHz

No effect

 


 

4.6.6              Worst Case for R22

 

4.6.6.1         R22

Part Number

001-00013-00

Designator, DESCRIPTION

R22, RES CARBON 470 .25W 5%

Supplier

 

 

Parameter

Specification

Analysis

POWER AT 70°c

0.25W

107mW   See Note 1 below

Derate 2.94W/°C Above 70°C

200mW @ 85°C

107mW

Vmax

250V

32.67V

TOLERANCE

5%

 

OPERATING tEMPERATURE

-40°C to +155°C

 

TEMP COEFF.

100 PPM/°C typ

 


NOTES:
1          The most power dissipated in R22 would be equivalent to the energy stored and discharged from C16  for 2000 times a second assuming C17 is a short and never charges. Or PR8 = f * (C * V2 )/2 = 2KHz * 0.1mF * (32.67V)2 /2 = 107mW. We know that the actual dissipation is less than this since C17 does charge.

 

4.6.7              Worst Case for D17

 

4.6.7.1         D17

Part Number

003-00001-00

Designator, DESCRIPTION

D17, DIODE, 1N4148

Supplier

 

 

Parameter

Specification

Analysis

Peak Reverse Voltage

75V = VRRM

32.67V  See Note 1 below

avg Forward Current

150mA

772mA rms

Forward Surge current

500mA

3.1mA                PSpice

Max reverse current

5mA @ VRRM=75V

 

Power Dissipation

500mW

772mW               PSpice

Junction Temperature

175°C max

 

Therm Resis Junc to amb.

350 K/W

 

NOTES:

1         The max peak reverse voltage occurs when C16 has been charged to –Vdisp and has just started to charge C17. The max forward current occurs when C16 starts to charge from zero to –Vdisp  thru R61. The maximum average forward current must equal the stable voltage obtained by C17, 32.67V from PSpice, divided by 47KW*0.9, or 772mA. The maximum average power of D17 is the maximum rms current times the diode voltage drop of 1V, or 766mW.

 

4.6.8              Worst Case for C17

C4 can be charged up to at most Vdisp.

 

4.6.8.1         C17

Part Number

002-00175-00

Designator, DESCRIPTION

C17, CAP .47UF 50V 105 C

Supplier

 

 

Parameter

Specification

Analysis

TOLERANCE

20%

 

tEMPERATURE cOEFF.

 

 

vOLTAGE

50V

32.67V

OPERATING TEMPERATURE

-55°C - +105°C

 

DISSIPATION FACTOR

12% @ 120Hz, 20°C

 

 

 

 

 

 

4.6.9              Worst Case for R80

The most voltage that R80 can have is Vdisp + VF of D17, or 33.37V.

 

4.6.9.1         R80

Part Number

001-00048-00

Designator, DESCRIPTION

R80, RES CARBON 47K .25W 5%

Supplier

 

 

Parameter

Specification

Analysis

POWER AT 70°c

0.25W

22.7mW

Derate 2.94W/°C Above 70°C

200mW @ 85°C

22.7mW

Vmax

250V

32.67V

TOLERANCE

5%

 

OPERATING tEMPERATURE

-40°C to +155°C

0°C to 85°C

TEMP COEFF.

100 PPM/°C typ

 

 

 

4.6.10           Worst Case for D18

The most reverse voltage occurs when C17 is charged to Vdisp and C16 is starting to charge with D17 forward biased. This is a voltage of 32.67V + 0.7V of D17. The most forward current occurs when C16 is starting to charge C17 from zero to Vdisp thru R22, or 77.2mA. Since in steady state the diode, D18 must replace what is drained by R80, the maximum average current is the max that C17 can be charged to divided by 47KW, or 695mA. The maximum average power of D5 is the maximum average current times the diode voltage drop of 1V, or 695mW.

 

4.6.10.1      D18

Part Number

003-00001-00

Designator, DESCRIPTION

D18, DIODE, 1N4148

Supplier

 

Parameter

Specification

Analysis

 

Peak Reverse Voltage

75V = VRRM

33.37V

 

Avg Forward Current

150mA

695mA

 

Forward Surge current

500mA

77.2mA

 

Max reverse current

5mA @ VRRM=75V

 

 

Power Dissipation

500mW

695mW

 

Junction Temperature

175°C max

 

 

Therm Resis Junc to amb.

350 K/W

 

 

 

4.6.11           Worst Case for D19

Since the micro RESET pin has an internal clamping diode to mVSS, the maximum reverse voltage can be no more than VCC of 6.17V + VF of 0.6V, or 6.76. The maximum average forward current is the max average current of R80. The max avg current of R80 is 772mA. So the max avg current of D19 is 772mA. And the max avg power is 772mW.

4.6.11.1      D19

Part Number

003-00001-00

Designator, DESCRIPTION

D19, DIODE, 1N4148

Supplier

 

Parameter

Specification

Analysis

 

Peak Reverse Voltage

75V = VRRM

6.77V

 

Avg Forward Current

150mA

772mA

 

Forward Surge current

500mA

772mA

 

Max reverse current

5mA @ VRRM=75V

 

 

Power Dissipation

500mW

772mW

 

Junction Temperature

175°C max

 

 

Therm Resis Junc to amb.

350 K/W

 

 

 

4. 7                 Keypad

The keypad block consists of the keypad itself and the resistors R23 – R29, R6 - R12 and the diodes D5-D7. The input ports on the micro, pins 7, 8, 9, 11, 12, 13, 14, are normally pulled low  to –VR when no keys are pressed. But when a key is pressed, the port is pulled high (to GND) through R23 – R29. All keys that allow the oven to start must be on pin 12, 13, and 14 of the micro so that this key will start the watch dog circuit. Each key will pull only two of eight pins hi. Pins 11-14 can also be configured as A/D input. When the keypad buttons are pressed that pull these pins hi, it also affects the A/D result of the PWM because of the internal resistance from one A/D channel to the next. This effect is less than 1 A/D resolution count, but because of its 65530 bits of resolution, the PWM count changes significantly a when a key is pressed on these inputs as it chases a single moving resolution count.

 

4.7.1              Worst Case for R23 – R29

4.7.1.1         R23 – R29

Part Number

001-00037-00

Designator, DESCRIPTION

R23 – R29, RES CARBON 100K .25W 5%

Supplier

 

 

Parameter

Specification

Analysis

POWER AT 70°c

0.25W

7.02mW

Derate 2.94W/°C Above 70°C

200mW @ 85°C

7.02mW

Vmax

250V

26.5V

TOLERANCE

5%

 

OPERATING tEMPERATURE

-40°C to +155°C

0°C to 85°C

TEMP COEFF.

100 PPM/°C typ

 

 

4.7.2              Worst Case for R6 – R12

 

4.7.2.1         R6 – R12

Part Number

001-00015-00

Designator, DESCRIPTION

R6 – R12, RES CARBON 10K .25W 5%

Supplier

 

 

Parameter

Specification

Analysis

POWER AT 70°c

0.25W

70.2mW

Derate 2.94W/°C Above 70°C

200mW @ 85°C

70.2mW

Vmax

250V

26.5V

TOLERANCE

5%

 

OPERATING tEMPERATURE

-40°C to +155°C

0°C to 85°C

TEMP COEFF.

100 PPM/°C typ

 

 

4.7.3              Worst Case for D5 – D7

4.7.3.1         D5 – D7

Part Number

003-00001-00

Designator, DESCRIPTION

D5 – D7, DIODE 1N4148

Supplier

 

 

Parameter

Specification

Analysis

Peak Reverse Voltage

75V = VRRM

26.5V

Avg Forward Current

150mA

564mA

Forward Surge current

500mA

564mA

Max reverse current

5mA @ VRRM=75V

 

Power Dissipation

500mW

~564mW

Junction Temperature

175°C max

~ambient

Therm Resis Junc to amb.

350 K/W

 

 

4.7.4              Worst Case for Keypad resistance

See block 14 for  start keypad worst case.

 

4.7.4.1         Keypad resistance

Part Number

yyyyy Keyboard

Designator, DESCRIPTION

 

Supplier

yyyyy

 

Parameter

Specification

Analysis

open Voltage max

35V max

26.5V

closed current max

20mA max

564mA  See Note 1

resistance max

500W

 

switched power max

500mW

70.2mW  See Note 2

 

 

 

 

 

 

NOTES:

1         The max current is the current that can flow through any one of R6 – R12 with a VR at 26.5V.

2         The max power switched is the max power through any one of R6 – R12 at max VR.

 

4. 8                 Display/LED

The Display block consists of the VF display itself, R13, R14, RN1, and RN2. RN1 and RN2 are included with the OTP version only and are not installed for the masked version of the micro because the micro has internal pull ups on these outputs. The LED’s will be multiplexed with the display anodes using R100, R101, R102, R103, R104 on the power board.

 

4.8.1              Worst Case for the DS1

4.8.1.1         DS1

Part Number

008-00114-00

Designator, DESCRIPTION

DS1, VF DISPLAY yyyyy PLATFORM

Supplier

 

 

Parameter

Specification

Analysis

filament voltage max

3.15mV min, 3.85Vac max

3.67Vac  by design     See NOTE 1

Filament current

113mA min, 138mA max

132mA    by design

Peak  Anode voltage

22.0V rec,   26.5Vp-p max

27.5V

Peak anode current

3.5mA  typ,   7mA max

Self limiting due to internal resistance

Peak grid voltage

22.0V rec,   26.5Vp-p max

27.5V

Peak Grid Current

7.2mA typ,    14.4mA max

Self limiting due to internal resistance

Duty factor

1/9  recommended

1/10    See NOTE 2

pulse width

100ms recommended

500ms

Operating Temperature

-20°C to +85°C

0°C to +85°C

NOTE:
1. The transformer is designed to provide 3.2Vac secondary voltage at the line input of 180Vac. Thus, at the same load, this will go to 4.69333V at the line of 264Vac. The specs for the VF display shows that the internal resistance of the filament is 3.15V/113mA=3.85V/138mA = 27.8W. With R13 and R14 at 3.9W, between low and hi line, the filament current will go from 90mA to 132mA, and the filament voltage goes from 2.4Vac to 3.67Vac which is under max specs for the VF display. And though the low line shows under spec values for the filament current and voltage, experience has shown that the display still appears bright enough.

2. This control will multiplex the display anodes with the LED’s that indicate mode of operation. However, since there are only 9 grids but 10 LED’s, 2 transistors are needed to turn ON all the LED’s. One transistor will come on during an extra strobe pulse dedicated for LED’s, and the appropriate anodes will be activated with the grid outputs OFF during this time so that this only lights the LED’s. The other transistor is connected to grid no. 7. This display grid only has 4 out of the possible 9 anodes connected to display characters. One of the other 5 anode outputs from the micro will be connected to the 10th LED. It can be lit during the time the 4 active anodes are pulsed on grid no. 7. Or this output can be pulsed again during the 10th strobe pulse. This is left to software to decide.

4.8.2              Worst Case for R13, R14

 

4.8.2.1         R13, R14

Part Number

001-00257-00

Designator, DESCRIPTION

R13, R14, RES CARBON 3.9W .25W 5%

Supplier

 

 

Parameter

Specification

Analysis

POWER AT 70°c

0.25W

67.8mW

Derate 2.94W/°C Above 70°C

200mW @ 85°C

67.8mW

Vmax

250V

514mVac

TOLERANCE

5%

 

OPERATING tEMPERATURE

-40°C to +155°C

 

TEMP COEFF.

100 PPM/°C typ

 

 

 

4.8.3              Worst Case for RN1, RN2

 

4.8.3.1         RN1, RN2

Part Number

RS9X104JXB

Designator, DESCRIPTION

RN1, RN2, 100KW, 1/8W, 5%, TF SIP RESISTOR

Supplier

 

 

Parameter

Specification

Analysis

Voltage max

100V

32.67V

power max/resistor

0.125W @ 70°C

10.7mW

Tolerance

5%

 

Temp Coefficient

+/- 200ppm/°C

 

 

4.8.4              Worst Case for R100, R104

4.8.4.1         R100, R104 on the power board

Part Number

001-00048-00

Designator, DESCRIPTION

R100, R104, RES CARBON 47K .25W 5%

Supplier

 

 

Parameter

Specification

Analysis

POWER AT 70°c

0.25W

< 17.9mW

Derate 2.94W/°C Above 70°C

200mW @ 85°C

< 17.9mW

Vmax

250V

27.5V

TOLERANCE

5%

 

OPERATING tEMPERATURE

-40°C to +155°C

0°C to 85°C

TEMP COEFF.

100 PPM/°C typ

 

 

 

4.8.5              Worst Case for R101

4.8.5.1         R101 on the power board

Part Number

001-00048-00

Designator, DESCRIPTION

R101, RES CARBON 47K .25W 5%

Supplier

 

 

Parameter

Specification

Analysis

POWER AT 70°c

0.25W

< 85mW

Derate 2.94W/°C Above 70°C

200mW @ 85°C

< 85mW

Vmax

250V

2V

TOLERANCE

5%

 

OPERATING tEMPERATURE

-40°C to +155°C

0°C to 85°C

TEMP COEFF.

100 PPM/°C typ

 

 

 

4.8.6              Worst Case for R102, R103

4.8.6.1         R102, R103 on the power board

Part Number

001-00013-00

Designator, DESCRIPTION

R102, R103, RES CARBON 470 .25W 5%

Supplier

 

 

Parameter

Specification

Analysis

POWER AT 70°c

0.25W

150mW

Derate 2.94W/°C Above 70°C

200mW @ 85°C

150mW

Vmax

250V

26.5V

TOLERANCE

5%

 

OPERATING tEMPERATURE

-40°C to +155°C

0°C to 85°C

TEMP COEFF.

100 PPM/°C typ

 

 

4.8.7              Worst Case for Q12

 

4.8.7.1         Q12

Part Number

004-00005-00

Designator, DESCRIPTION

Q12, NPN-TRANSISTOR, 2N2222A

Supplier

 

 

Parameter

Specification

Analysis

Vceo max

40V

32.67V

vcbo max

75V

32.67V

vebo max

5V

~0V

I c max

800mA

5.64mA

Operating Temp range

125°C max

 

Hfe

40 min

 

vce(sat)max

1V max

 

vbe(sat)max

2V max

 

pd @ 85°C

500mW max

< 5.64mW  since Q12oscillates.

 

 

4.8.8              Worst Case for Q13

 

4.8.8.1         Q13

Part Number

004-00005-00

Designator, DESCRIPTION

Q13, NPN-TRANSISTOR, 2N2222A

Supplier

 

 

Parameter

Specification

Analysis

Vceo max

40V

32.67V

vcbo max

75V

32.67V

vebo max

5V

~0V

I c max

800mA

5.64mA

Operating Temp range

125°C max

 

Hfe

40 min

 

vce(sat)max

1V max

 

vbe(sat)max

2V max

 

pd @ 85°C

500mW max

< 5.64mW  since Q12oscillates.

 

 

 

 

 

 


 

 

4. 9                 Piezo Speaker

The Enunciator block consists of a piezo-electric device, Y101, R16 – R19, R21, R49, Q4, Q5, and micro pins 44 and 45, also R101-R104, D101, Q101 on the display board. The micro has 2 different outputs to drive the enunciator at 3 different levels. One port for low, another port for medium, both ports for hi.

 

4.9.1              Worst Case for R21, R49

 

4.9.1.1         R21, R49

Part Number

001-00015-00

Designator, DESCRIPTION

R21, R49 , RES CARBON 10K .25W 5%

Supplier

 

 

Parameter

Specification

Analysis

POWER AT 70°c

0.25W

< < 70.2mW

Derate 2.94W/°C Above 70°C

200mW @ 85°C

< 70.2mW

Vmax

250V

26.5V

TOLERANCE

5%

 

OPERATING tEMPERATURE

-40°C to +155°C

 

TEMP COEFF.

100 PPM/°C typ

 

 

 

4.9.2              Worst Case for R18, R19

 

4.9.2.1         R18, R19

Part Number

001-00015-00

Designator, DESCRIPTION

R18, R19 , RES CARBON 10K .25W 5%

Supplier

 

 

Parameter

Specification

Analysis

POWER AT 70°c

0.25W

400mW

Derate 2.94W/°C Above 70°C

200mW @ 85°C

400mW

Vmax

250V

2V

TOLERANCE

5%

 

OPERATING tEMPERATURE

-40°C to +155°C

 

TEMP COEFF.

100 PPM/°C typ

 

 

 

 

 

 

 

 

 

 

 

 

4.9.3              Worst Case for R16

 

4.9.3.1         R16

Part Number

001-00078-00

Designator, DESCRIPTION

R16, RES CARBON 5.1K .25W 5%

Supplier

 

 

Parameter

Specification

Analysis

POWER AT 70°c

0.25W

148mW    See Note 1

Derate 2.94W/°C Above 70°C

200mW @ 85°C

148mW

Vmax

250V

26.8V

TOLERANCE

5%

 

OPERATING tEMPERATURE

-40°C to +155°C

 

TEMP COEFF.

100 PPM/°C typ

 


NOTES:
1. Assuming the speaker offers zero resistance to GND.

 

4.9.4              Worst Case for R17

 

4.9.4.1         R17

Part Number

001-00139-00

Designator, DESCRIPTION

R17 , RES CARBON 2.7K .25W 5%

Supplier

 

 

Parameter

Specification

Analysis

POWER AT 70°c

0.25W

154mW See NOTE 1

Derate 2.94W/°C Above 70°C

200mW @ 85°C

154mW

Vmax

250V

20V

TOLERANCE

5%

 

OPERATING tEMPERATURE

-40°C to +155°C

 

TEMP COEFF.

100 PPM/°C typ

 

NOTE:
1. Considering R101 and R104 on the display board.

 


 

4.9.5              Worst Case for Q4

4.9.5.1         Q4

Part Number

004-00005-00

Designator, DESCRIPTION

Q4, NPN-TRANSISTOR, 2N2222A

Supplier

 

 

Parameter

Specification

Analysis

Vceo max

40V

27.5V

vcbo max

75V

27.5V

vebo max

5V

~0V

I c max

800mA

2.65mA

Operating Temp range

125°C max

 

Hfe

40 min

 

vce(sat)max

1V max

 

vbe(sat)max

2V max

 

pd @ 85°C

500mW max

< 72.8mW  since Q101 oscillates.

 

 

4.9.6              Worst Case for Q5

4.9.6.1         Q5

Part Number

004-00005-00

Designator, DESCRIPTION

Q5, NPN-TRANSISTOR, 2N2222A

Supplier

 

Parameter

Specification

Analysis

 

Vceo max

40V

27.5V

 

vcbo max

75V

27.5V

 

vebo max

5V

~0V

 

I c max

800mA

14.9mA

 

Operating Temp range

125°C max

 

 

Hfe

40 min

 

 

vce(sat)max

1V max

 

 

vbe(sat)max

2V max

 

 

pd @ 85°C

500mW max

< 410mW since Q101 oscillates.

 

 

4.9.7              Worst Case for Y101

4.9.7.1         Y101

Part Number

054-00019-01

Designator, DESCRIPTION

Y101, SPEAKER-3.2 KHZ

Supplier

 

Parameter

Specification

Analysis

 

Abs. max voltage

42Vp-p

27.5V

 

Osc frequency

3.2KHz

to customer satisfaction.

 

Op temperature.

-20°C to +70°C

85°C   xxxxx testing approved.

 

Series resistance R1

1.3KW @ V = 27V

1756.6W

 

 

4.9.8              Worst Case for R101, R104

4.9.8.1         R101, R104 on the display board

Part Number

001-00013-00

Designator, DESCRIPTION

R101, R104, RES CARBON 470 .25W 5%

Supplier

 

 

Parameter

Specification

Analysis

POWER AT 70°c

0.25W

115mW          See Note 1

Derate 2.94W/°C Above 70°C

200mW @ 85°C

115mW

Vmax

250V

7.35V

TOLERANCE

5%

 

OPERATING tEMPERATURE

-40°C to +155°C

0°C to 85°C

TEMP COEFF.

100 PPM/°C typ

 

NOTE:
1. Considering R101, R104, and the parallel combination of R16 and R17.

4.9.9              Worst Case for R102

4.9.9.1         R102 on the display board

Part Number

001-00015-00

Designator, DESCRIPTION

R102, RES CARBON 10K .25W 5%

Supplier

 

 

Parameter

Specification

Analysis

POWER AT 70°c

0.25W

75.5mW See Note 1

Derate 2.94W/°C Above 70°C

200mW @ 85°C

75.5mW

Vmax

250V

27.5V

TOLERANCE

5%

 

OPERATING tEMPERATURE

-40°C to +155°C

0°C to 85°C

TEMP COEFF.

100 PPM/°C typ

 

 

4.9.10           Worst Case for R103

4.9.10.1      R103 on the display board

Part Number

001-00037-00

Designator, DESCRIPTION

R103, RES CARBON 100K .25W 5%

Supplier

 

 

Parameter

Specification

Analysis

POWER AT 70°c

0.25W

7.56mW                           See Note 1

Derate 2.94W/°C Above 70°C

200mW @ 85°C

7.56mW

Vmax

250V

27.5V

TOLERANCE

5%

 

OPERATING tEMPERATURE

-40°C to +155°C

0°C to 85°C

TEMP COEFF.

100 PPM/°C typ

 

 

4.9.11           Worst Case for Q101

4.9.11.1      Q101 on the display board

Part Number

004-00005-00

Designator, DESCRIPTION

Q101, NPN-TRANSISTOR, 2N2222A

Supplier

 

 

Parameter

Specification

Analysis

Vceo max

40V

27.5V

vcbo max

75V

27.5V

vebo max

5V

~0V

I c max

800mA

14.9mA

Operating Temp range

125°C max

 

Hfe

40 min

 

vce(sat)max

1V max

 

vbe(sat)max

2V max

 

pd @ 85°C

500mW max

< 410mW since Q101 oscillates.

 

 

4.9.12           Worst Case for D101

4.9.12.1      D101 on the display board

Part Number

003-00001-00

Designator, DESCRIPTION

D101, DIODE 1N4148

Supplier

 

 

Parameter

Specification

Analysis

Peak Reverse Voltage

75V = VRRM

27.5V

Avg Forward Current

150mA

2.75mA

Forward Surge current

500mA

2.75mA

Max reverse current

5mA @ VRRM=75V

 

Power Dissipation

500mW

~2.75mW

Junction Temperature

175°C max

~ambient

Therm Resis Junc to amb.

350 K/W

 

 

4. 10              Door Switch

The Door Switch block consists of and D13, R1, R50 connected to pin 31 of the micro. The door switch itself is supplied by yyyyy. It is a dual redundancy switch that ensures that the current to the magnetron is directly interrupted by opening the door and also that the power to the drive circuits to the magnetron is also opened when the door is opened. The Door switch acts in conjunction with the Combi return switch so that if either switch is closed to ground, the Mag2/Front opto, the Mag3/Rear opto, and the 230v DLB relays can still operate.

 

The Door Switch must handle at least 100mA. And if the contact resistance remains below 10W, it will develop no more than 1 volt across it. If the resistance of the door switch gets too high, then the voltage drop across it may prevent sufficient voltage to be measured as an input high voltage on pin_31. Of course, there is less current flowing through the door switch when it has been just closed and Mag 1 has not been started yet.

4.10.1           Worst Case for R1

4.10.1.1      R1

Part Number

001-00037-00

Designator, DESCRIPTION

R1, RES CARBON 100K .25W 5%

Supplier

 

Parameter

Specification

Analysis

 

POWER AT 70°c

0.25W

7.02mW

 

Derate 2.94W/°C Above 70°C

200mW @ 85°C

7.02mW

 

Vmax

250V

26.5V

 

TOLERANCE

5%

 

 

OPERATING tEMPERATURE

-40°C to +155°C

0°C to 85°C

 

TEMP COEFF.

100 PPM/°C typ

 

 

 

4.10.2           Worst Case for R50

4.10.2.1      R50

Part Number

001-00037-00

Designator, DESCRIPTION

R50, RES CARBON 100K .25W 5%

Supplier

 

 

Parameter

Specification

Analysis

POWER AT 70°c

0.25W

7.02mW

Derate 2.94W/°C Above 70°C

200mW @ 85°C

7.02mW

Vmax

250V

26.5V

TOLERANCE

5%

 

OPERATING tEMPERATURE

-40°C to +155°C

0°C to 85°C

TEMP COEFF.

100 PPM/°C typ

no effect

 

4.10.3           Worst Case for D13

4.10.3.1      D13

Part Number

003-00022-00

Designator, DESCRIPTION

D13, DIODE IN4007

Supplier

 

 

Parameter

Specification

Analysis

Peak Reverse Voltage

1000V = VRRM

~10V due to flyback of relays

Avg Forward Current

1A

43.3mA   See Note 1

Forward Surge current

30A

43.3mA

Max reverse current

50mA @ VRRM

no effect

Power Dissipation

~0.65W

Cool ~210mW = .3A X .7V

Junction Temperature

175°C max

 

Therm Resis Junc to amb.

???? °C/W

no reference.

NOTE:
1.  5mA, U5; 5mA, U6; 16.7mA * 2, K4 + K9, or K5 + K8.

 

4. 11              Combi Return

The Combi Return switch consists of D15, R2, and R69. This switch is a jumper on the connector to GND. It is only installed when the control is put in a Combi oven. Otherwise, it is removed for a 3TC. When installed in a Combi, it allows the FRONT and REAR Kal rods to be put in preheat mode.

 

4.11.1           Worst Case for D15

 

4.11.1.1      D15

Part Number

003-00022-00

Designator, DESCRIPTION

D15, DIODE IN4007

Supplier

 

 

Parameter

Specification

Analysis

Peak Reverse Voltage

1000V = VRRM

~10V due to flyback of relays

Avg Forward Current

1A

43.3mA   See Note 1 for D13, 4.10.3

Forward Surge current

30A

43.3mA

Max reverse current

50mA @ VRRM

no effect

Power Dissipation

~0.65W

Cool ~210mW = .3A X .7V

Junction Temperature

175°C max

 

Therm Resis Junc to amb.

???? °C/W

no reference.

 

4.11.2           Worst Case for R2

 

4.11.2.1      R2

Part Number

001-00037-00

Designator, DESCRIPTION

R2, RES CARBON 100K .25W 5%

Supplier

 

 

Parameter

Specification

Analysis

POWER AT 70°c

0.25W

7.02mW

Derate 2.94W/°C Above 70°C

200mW @ 85°C

7.02mW

Vmax

250V

26.5V

TOLERANCE

5%

no effect

OPERATING tEMPERATURE

-40°C to +155°C

 

TEMP COEFF.

100 PPM/°C typ

no effect

 

 

 

 

 

4.11.3           Worst Case for R69

 

4.11.3.1      R69

Part Number

001-00037-00

Designator, DESCRIPTION

R69, RES CARBON 100K .25W 5%

Supplier

 

 

Parameter

Specification

Analysis

POWER AT 70°c

0.25W

7.02mW

Derate 2.94W/°C Above 70°C

200mW @ 85°C

7.02mW

Vmax

250V

26.5V

TOLERANCE

5%

no effect

OPERATING tEMPERATURE

-40°C to +155°C

 

TEMP COEFF.

100 PPM/°C typ

no effect

 

 

4. 12              Fans, light

The Fan and Light circuit consists of U3, R97 – R99, K1 – K3.

 

4.12.1           Worst Case for R97 – R99

 

4.12.1.1      R97 – R99

Part Number

001-00048-00

Designator, DESCRIPTION

R97 – R99, RES CARBON 47K .25W 5%

Supplier

 

 

Parameter

Specification

Analysis

POWER AT 70°c

0.25W

14.9mW

Derate 2.94W/°C Above 70°C

200mW @ 85°C

14.9mW

Vmax

250V

26.5V

TOLERANCE

5%

 

OPERATING tEMPERATURE

-40°C to +155°C

 

TEMP COEFF.

100 PPM/°C typ

 

 

 

 

 

 

 

 


 

4.12.2           Worst Case for K1 – K3

4.12.2.1      K1 – K3

Part Number

047-00097-03

Designator, DESCRIPTION

K1 – K3, RELAY 24V, 20A FORM C

Supplier

 

 

Parameter

Specification

Analysis

Nominal voltage

24V

22.9V to 27.5V See Note 1

Must operate V @ 85°C

22.3V @ 85°C

21.8V               See Note 2.

Min hold-in @ 85°C

15.9V at 50% of Vnom@85C.

21.8V

Resistance

1440W ±10%

N/A

Nominal Power

400mW @ 20°C

 

oPerating temperature

RS approved -40°C to 105°C

0°C to 85°C

Insulation system

140°C

108°C calculated

Absolute Power max

1.8W @ 25°C

458mW See Note 3 below.@ 20°C

Operate time (no bounce)

7ms Typ

Not phase fired

release time (no bounce)

3ms Typ

Not phase fired

NOTES:
1. Minimum VR is 22.3V + 0.6VR11 = 22.9V,  maximum VR is 26.5V + 1V = 27.5V.

2. Minimum VR is 22.9V, maximum output voltage drop of U3 is 1.1V. This makes the relay voltage as low as 21.8V which is 0.5V less than spec’d for 85°C. However, it should be commented that the TCO would probably kick in before this, and the control would probably not be initiated with the control at 85°C. But this temperature would be reached only after the relays have been activated.

3. With VR at a maximum of 27.5, the maximum power is 458mW as calculated from the Mathcad program for rise of resistance for coils.

4.12.3           Worst Case for U3

4.12.3.1      U3

Part Number

053-00156-00

Designator, DESCRIPTION

U3, I.C. DARLINGTON DRIVER

Supplier

 

 

Parameter

Specification

Analysis

Output voltage max

55V

 49.5V                 See Note 1

input voltage max

30V

27.5V

collector current cont

500mA

21.2mA

VCE (sat) max

1.1V @ IC = 100mA

 

base current continuous

25mA

585mA

Operating temperature

-20°C to +85°C

0°C to +85°C

total package dissipation

1838mW @ 25°C

120.6mW                       See Note 2

derate 14.7mW/°C above 25°C

956mW @ 85°C

120.6mW

NOTE:
1. Maximum VR is 27.5V, max flyback voltage is 22V. The max VCE is 22V + VR = 49.5V.

2. Output pins 13, 14, and 15 each have max currents of 5.85mA at VCE of 1.1V ; output pins 10, 11, 12, and 16 each have max currents of 21.2mA at VCE of 1.1V. And all 7 inputs that can be turned ON at the same time each can have max currents of 650mA through the input resistance of 2.7KW. Altogether, this dissipates 120.6mW.

4.12.4           Worst Case for Z3

 

4.12.4.1      Z3

Part Number

003-00024-00

Designator, DESCRIPTION

Z3, DIODE ZENER 1N5251B

Supplier

 

 

Parameter

Specification

Analysis

Vz

22V @ 5.6mA

20.54V to 24.31V      See Note 1

Tolerance

5%

 

Maximum Junction Temp

200°C

 

VR

 

 

Temp coefficient

0.087%/°C

 

Pd@85°C

500mW

~0    Since for flyback only

 

NOTES:
1.
Low range is 22V*0.95*(1+0.00087*(-20)) = 20.54V,
    hi range is 22V*1.05*(1+0.00087*(60)) = 24.31V


4. 13              Mag 1 Triac

The Triac Drive circuit consists of U3, R94 – R96, R59, and U4.

 

4.13.1           Worst Case for U3

Same as for section 4.12.3

4.13.2           Worst Case for R94

Same as for section 4.12.1

 


 

4.13.3           Worst Case for R59

 

4.13.3.1      R59

Part Number

001-00010-00  

Designator, DESCRIPTION

R59, RES CARBON 4.7K .25W 5%

Supplier

 

 

Parameter

Specification

Analysis

POWER AT 70°c

0.25W

160mW

Derate 2.94W/°C Above 70°C

200mW @ 85°C

160mW

Vmax

250V

27.5V

TOLERANCE

5%

no effect

OPERATING tEMPERATURE

-40°C to +155°C

 

TEMP COEFF.

100 PPM/°C typ

no effect

 

4.13.4           Worst Case for U4

 

4.13.4.1      U4

Part Number

053-00416-00

Designator, DESCRIPTION

U4, IC OPTOTRIAC 400V 3MA

Supplier

 

 

Parameter

Specification

Analysis

Trigger current

5mA max

4.33mA min,   6.26mA max

Maximum LED current

60mA

6.26mA max

max holding current

100mA

 

Max Led forward volts

1.5V@10mA,   1.15V typ

 

Forward surge current

3A

6.26mA max

LED power dissipation

100mW

9.39mW max

derate 1.33mW/°C above 25°C

20.0mW@85°C

9.39mW max

Input capacitance

50pF

 

Max led reverse volts

3V

~0

off state output volts

400V

374V peak max

Peak repetitive surge

1A

1.03A    See Note 1 below

max output rms current

100mA

550mA    measured, taken as typ

peak output ON voltage

3V

1.76V     measured, taken as typ

Power dissipation@85°C

300mW

 

derate 4mW/°C above 25°C

60mW@85°C

28.8mW

Peek isolation voltage

>7500V

 

Critical rate of rise

10V/ms

????

Operating temperature

-40°C to +85°C

0°C to +85°C

NOTES:

1                373V peak divided by 180W * 2  =  1.03A. U4 fires the triac when the current is at a minimum to avoid EMI and huge transformer torque caused by fast current changes. This means that the micro needs to hold this input LED ON for as long as it might take for the current to start flowing through the output in order to keep the triac ON all the rest of the cycle. And since the load is inductive, this means that U1 fires when the voltage is maximum across the triac.

 

 

4. 14              Mag 2/Front Triac

 

4.14.1           Worst Case for U3

Same as in section 4.12.3

4.14.2           Worst Case for R95

Same as in section 4.12.1

4.14.3           Worst Case for R60

Same as in section 4.13.3

4.14.4           Worst Case for U5

Same as for section 4.13.4

 

4. 15              Mag 3/Rear Triac

 

4.15.1           Worst Case for U3

Same as for section 4.12.3

4.15.2           Worst Case for R96

Same as for section 4.12.1

4.15.3           Worst Case for R65

Same as in section 4.13.3

4.15.4           Worst Case for U6

Same as for section 4.13.4


 

4. 16              Relay Enable

The Relay Enable block consists of Q9, Q10, D16, D20, D21, C11, C18, R70, R71, R72, R73, R83, R84, R92, R93, micro pin 43 and 30. The purpose of the Relay enable is to prevent the micro from being able to turn ON the magnetron if the micro should fail with either pin 40 or pin 41or pin 42 stuck HI. Pin 43 starts toggling when an appropriate mode indicates that the magnetrons or the Kal rods will be activated. The control will not enter a mode which start toggling pin 43 at about 1KHz unless it has first measured pin 30 for a VR level. Then the toggling produces a voltage that is measured on pin 30. If the control is in a mode that it should read a VR level on pin 30 but it doesn’t, then an error message is generated and power is removed from the Relay Enable Circuit.

 

The path that provides VR to the double line break (DLB) relays is thru Q7 or Q8, D16, Q9. Either the Door Switch or the Combi Return switch provides a ground path for all these outputs. Q9 is OFF when there is no cooking mode active. When one of the start keys is pressed, this grounds the START node through D5, D6, or D7, which then provides base current for Q9 through R84 and turns Q9 ON. Pressing a start key on the keyboard also tell the micro that a valid cook mode has been initiated and the micro starts toggling pin 43 if it first reads a ground level on pin 30. Pin 43 is either shorted to GND or is open. The micro toggles pin 43 at the rate of about 1KHz. When pin 43 is in the open state, there is a charge path for C11 and C18 through D20, which is forward biased at this time, R72, and Q9. This causes a voltage to be placed on C11 with positive on the GND side of C11 and negative on the junction connected to D20. This negative voltage acts to keep Q10 in the ON state once toggling begins. C18 also charges when pin 43 is open and Q9 is ON with positive voltage on the junction that’s connected to the cathode of D20. Then when pin 43 shorts to GND, the negative side of C18 also becomes grounded and the positive side now is pulled up above GND and reverse biases D20 but forward biases D21. Thus, C18 discharges through R83 and D21 when pin 43 shorts to GND. Then since C18 has been discharged, when pin 43 opens again, the charge current for C18 also flows through C11 which further charges C11 to a larger negative voltage on the side that is not grounded. This further forward biases Q10 which keeps Q9 ON for as long as pin 43 toggles. C18 discharges once every toggle cycle so that is can further charge C11 when C18 recharge during the other half of the cycle. However, C11 does not have a fast discharge path so that it only accumulates charge and thus voltage and pin 43 toggles. If pin 43 should stop toggling, the discharge path for C11 is through R92, R93, and the base of Q10. So Q10 will remain ON even after pin 43 stops toggling until C11 sufficiently discharges.

4.16.1           Worst Case for R72

 

4.16.1.1      R72

Part Number

001-00015-00

Designator, DESCRIPTION

R72, RES CARBON 10K .25W 5%

Supplier

 

 

Parameter

Specification

Analysis

POWER AT 70°c

0.25W

378mW     Charging C18 at 1kHz

Derate 2.94W/°C Above 70°C

200mW @ 85°C

378mW

Vmax

250V

27.5V

TOLERANCE

5%

no effect

OPERATING tEMPERATURE

-40°C to +155°C

0°C to 85°C

TEMP COEFF.

100 PPM/°C typ

no effect

 

 

 

 

4.16.2           Worst Case for R73

4.16.2.1      R73

Part Number

001-00037-00

Designator, DESCRIPTION

R73, RES CARBON 100K .25W 5%

Supplier

 

 

Parameter

Specification

Analysis

POWER AT 70°c

0.25W

40mW

Derate 2.94W/°C Above 70°C

200mW @ 85°C

40mW

Vmax

250V

2V

TOLERANCE

5%

Negligible effects

OPERATING tEMPERATURE

-40°C to +155°C

 

TEMP COEFF.

100 PPM/°C typ

 

 

4.16.3           Worst Case for R83

4.16.3.1      R83

Part Number

001-00013-00

Designator, DESCRIPTION

R83, RES CARBON 470 .25W 5%

Supplier

 

 

Parameter

Specification

Analysis

POWER AT 70°c

0.25W

378mW

Derate 2.94W/°C Above 70°C

200mW @ 85°C

378mW

Vmax

250V

27.5V

TOLERANCE

5%

no effect

OPERATING tEMPERATURE

-40°C to +155°C

0°C to 85°C

TEMP COEFF.

100 PPM/°C typ

no effect

 

4.16.4           Worst Case for R84

4.16.4.1      R84

Part Number

001-00048-00

Designator, DESCRIPTION

R84, RES CARBON 100K .25W 5%

Supplier

 

 

Parameter

Specification

Analysis

POWER AT 70°c

0.25W

16.1mW

Derate 2.94W/°C Above 70°C

200mW @ 85°C

16.1mW

Vmax

250V

27.5V

TOLERANCE

5%

no effect

OPERATING tEMPERATURE

-40°C to +155°C

0°C to 85°C

TEMP COEFF.

100 PPM/°C typ

no effect

 


 

4.16.5           Worst Case for R92

4.16.5.1      R92

Part Number

001-00037-00

Designator, DESCRIPTION

R92, RES CARBON 100K .25W 5%

Supplier

 

Parameter

Specification

Analysis

 

POWER AT 70°c

0.25W

7.56mW

 

Derate 2.94W/°C Above 70°C

200mW @ 85°C

7.56mW

 

Vmax

250V

27.5V

 

TOLERANCE

5%

no effect

 

OPERATING tEMPERATURE

-40°C to +155°C

0°C to 85°C

 

TEMP COEFF.

100 PPM/°C typ

no effect

 

 

4.16.6           Worst Case for R93

4.16.6.1      R93

Part Number

001-00037-00

Designator, DESCRIPTION

R93, RES CARBON 100K .25W 5%

Supplier

 

 

Parameter

Specification

Analysis

POWER AT 70°c

0.25W

40.0mW

Derate 2.94W/°C Above 70°C

200mW @ 85°C

40.0mW

Vmax

250V

2V

TOLERANCE

5%

Negligible

OPERATING tEMPERATURE

-40°C to +155°C

0°C to 85°C

TEMP COEFF.

100 PPM/°C typ

 

 

4.16.7           Worst Case for C11

4.16.7.1      C11

Part Number

002-00102-00

Designator, DESCRIPTION

C11, CAP .047UF +-20% 50V

Supplier

 

 

Parameter

Specification

Analysis

TOLERANCE

20%

 

tEMPERATURE cOEFF.

+/-15% over range

 

vOLTAGE

50V

27.5V

OPERATING TEMPERATURE

-40°C to +105°C

0°C to 85°C

DISSIPATION FACTOR

2.5% @ 1KHz, ESR=84.65W

230.4mW  See Note 1

leakage current

2.35mA

 

NOTE:
1. 2.5% = ESR/(XC@1000Hz);  rms current = 27.5V/R92 + 27.5V/(R72 * 2) = 1.65mA

 

4.16.8           Worst Case for C18

 

4.16.8.1      C18

Part Number

002-00180-00

Designator, DESCRIPTION

C18, CAP .001UF 100V 20%

Supplier

 

 

Parameter

Specification

Analysis

TOLERANCE

20%

 

tEMPERATURE cOEFF.

+/-15% over range

 

vOLTAGE

50V

27.5V

OPERATING TEMPERATURE

-55°C to +125°C

 

DISSIPATION FACTOR

2.5% @ 1KHz

 

leakage current

5mA

 

 

4.16.9           Worst Case for D20

 

4.16.9.1      D20

Part Number

003-00001-00

Designator, DESCRIPTION

D20, DIODE 1N4148

Supplier

 

 

Parameter

Specification

Analysis

Peak Reverse Voltage

75V = VRRM

27.5V

Avg Forward Current

150mA

< 2.75mA

Forward Surge current

500mA

   2.75mA

Max reverse current

5mA @ VRRM=75V

 

Power Dissipation

500mW

~2.75mW

Junction Temperature

175°C max

~ambient

Therm Resis Junc to amb.

350 K/W

 

 


 

4.16.10        Worst Case for D21

 

4.16.10.1   D21

Part Number

003-00001-00

Designator, DESCRIPTION

D21, DIODE 1N4148

Supplier

 

 

Parameter

Specification

Analysis

Peak Reverse Voltage

75V = VRRM

27.5V

Avg Forward Current

150mA

< 58.5mA

Forward Surge current

500mA

   58.5mA

Max reverse current

5mA @ VRRM=75V

 

Power Dissipation

500mW

~58.5mW

Junction Temperature

175°C max

~ambient

Therm Resis Junc to amb.

350 K/W

 

 

4.16.11        Worst Case for Q9

 

4.16.11.1   Q9

Part Number

004-00032-00

Designator, DESCRIPTION

Q9, TRANSISTOR-NPN, MPSW13

Supplier

 

 

Parameter

Specification

Analysis

VCEO

30V min

27.5V

VCBO

30V min

27.5V

VEBO

10V min

~0

ICmax

1000mA

63.7mA

operating Temp range

-40°C to +125°C

 

Hfe

50min

 

vce(sat)max

1.5V max

 

Vbe(on)max

2Vmax,  1.3V nominal

 

Pd at 105°C

300mW

96.8mW    See Note 1

Hfe

5000 min

 

NOTE:
1. Each relay may have 27.5V/(1440*0.9) = 21.2mA, with a VCE(SAT)MAX of 1.5V, and 3 relays may be ON at one time. The most base current can be 27.5V/(47KW*0.9)=650mA, with a VBE(ON)MAX of 2V. Together this gives a maximum device dissipation of 96.7mW.


 

4.16.12        Worst Case for Q10

 

4.16.12.1   Q10

Part Number

004-00011-00

Designator, DESCRIPTION

Q10, TRANSISTOR-PNP (2N29O7A)

Supplier

 

 

Parameter

Specification

Analysis

VCEO

-60V

27.5V

VCBO

-60V

27.5V

VEBO

-5V

~ 0.0V

ICmax

600mA

650mA

operating Temp range

-40°C to +125°C

0°C to 85°C

vce(sat)max

0.4V max

 

Vbe(on)max

1.3V max

 

Pd at 85°C

625mW

845mW

Hfe

100@Ic=150mA, 50@Ic=0.5A

 

 

 

 

4.16.13        Worst Case for D16

 

4.16.13.1   D16

Part Number

003-00022-00

Designator, DESCRIPTION

D16, DIODE IN4007

Supplier

 

 

Parameter

Specification

Analysis

Peak Reverse Voltage

1000V = VRRM

~0V

Avg Forward Current

1A

63.7mA

Forward Surge current

30A

63.7mA

Max reverse current

50mA @ VRRM

no effect

Power Dissipation

~0.65W

63.7mW = 63.7mA X 1V

Junction Temperature

175°C max

 

Therm Resis Junc to amb.

???? °C/W

no reference.

 


 

4.16.14        Worst Case for R70

 

4.16.14.1   R70

Part Number

001-00037-00

Designator, DESCRIPTION

R70, RES CARBON 100K .25W 5%

Supplier

 

 

Parameter

Specification

Analysis

POWER AT 70°c

0.25W

1.89mW

Derate 2.94W/°C Above 70°C

200mW @ 85°C

1.89mW

Vmax

250V

13.75V

TOLERANCE

5%

no effect

OPERATING tEMPERATURE

-40°C to +155°C

0°C to 85°C

TEMP COEFF.

100 PPM/°C typ

no effect

 

 

4.16.15        Worst Case for R71

 

4.16.15.1   R71

Part Number

001-00037-00

Designator, DESCRIPTION

R71, RES CARBON 100K .25W 5%

Supplier

 

 

Parameter

Specification

Analysis

POWER AT 70°c

0.25W

1.89mW

Derate 2.94W/°C Above 70°C

200mW @ 85°C

1.89mW

Vmax

250V

13.75V

TOLERANCE

5%

no effect

OPERATING tEMPERATURE

-40°C to +155°C

0°C to 85°C

TEMP COEFF.

100 PPM/°C typ

no effect

 

 

4. 17              60Hz Reference

The 60Hz Reference consists of R82 and C15. When Q3 momentarily shorts to –VR, a signal is sent to the micro thru R82 and causes an interrupt. The micro needs this signal to determine the correct time for phase firing the relays, to determine the line frequency when compared to the crystal, to determine when power has been lost, to debounce switches, and to set correct timing for the clock count down.


 

4.17.1           Worst Case for R82

 

4.17.1.1      R82

Part Number

001-00037-00

Designator, DESCRIPTION

R82, RES CARBON 100K .25W 5%

Supplier

 

 

Parameter

Specification

Analysis

POWER AT 70°c

0.25W

~0 since pin 28 is open after charge

Derate 2.94W/°C Above 70°C

200mW @ 85°C

~0

Vmax

250V

27.5V

TOLERANCE

5%

no effect

OPERATING tEMPERATURE

-40°C to +155°C

0°C to 85°C

TEMP COEFF.

100 PPM/°C typ

no effect

 

4.17.2           Worst Case for C15

 

4.17.2.1      C15

Part Number

002-00180-00

Designator, DESCRIPTION

C15, CAP .001UF 100V 20%

Supplier

 

 

Parameter

Specification

Analysis

TOLERANCE

20%

 

tEMPERATURE cOEFF.

+/-15% over range

 

vOLTAGE

100V

27.5V

OPERATING TEMPERATURE

-55°C to +125°C

 

DISSIPATION FACTOR

2.5% @ 1KHz

 

LEAKAGE CURRENT

5mA

 

 

 

4. 18              Voltage sense

The Voltage Sense block consists of R62 – R64 connected to a micro pin (18) which is configured as an Analog to Digital converter. The circuit is a voltage divider that samples the unregulated rectified voltage, -Vunreg. The voltage –Vunreg changes with load and the line voltage. This model needs to detect the difference between a 208V hi line and a 240 low line. The line voltage will be determined only upon power up of the microwave oven when there will be no relays on or display grids changing or keys being pressed – essentially no load. So because of component tolerances, the control will have to be calibrated to the correct line voltage to switch. This will be stored in the EEPROM that will then have to accompany that particular control. Any EEPROM changes will have to first read these control dependent options and insure these control dependent variables are not changed when writing in the new EEPROM control settings. We may need to add an additional capacitor across R63 to help averaging techniques in the micro.

 

4.18.1           Worst Case for R62

 

4.18.1.1      R62

Part Number

001-00037-00

Designator, DESCRIPTION

R62, RES CARBON 100K .25W 5%

Supplier

 

 

Parameter

Specification

Analysis

POWER AT 70°c

0.25W

36mmW

Derate 2.94W/°C Above 70°C

200mW @ 85°C

36mW

Vmax

250V

60V

TOLERANCE

5%

 

OPERATING tEMPERATURE

-40°C to +155°C

0°C to 85°C

TEMP COEFF.

100 PPM/°C typ

 

 

 

4.18.2           Worst Case for R63

4.18.2.1      R63

Part Number

001-00015-00

Designator, DESCRIPTION

R63, RES CARBON 10K .25W 5%

Supplier

 

 

Parameter

Specification

Analysis

POWER AT 70°c

0.25W

3mW

Derate 2.94W/°C Above 70°C

200mW @ 85°C

3mW

Vmax

250V

5V

TOLERANCE

5%

 

OPERATING tEMPERATURE

-40°C to +155°C

0°C to 85°C

TEMP COEFF.

100 PPM/°C typ

 

 

 

4.18.3           Worst Case for R64

4.18.3.1      R64

Part Number

001-00592-00

Designator, DESCRIPTION

R64, METAL 100, 1/4W 1%

Supplier

 

 

Parameter

Specification

Analysis

POWER AT 70°c

0.25W

~0

Derate 2.94W/°C Above 70°C

200mW @ 85°C

~0

Vmax

250V

~0V

TOLERANCE

5%

no effect

OPERATING tEMPERATURE

-40°C to +155°C

 

TEMP COEFF.

100 PPM/°C typ

no effect

 

4.18.4           Worst Case for C19

 

4.18.4.1      C19

Part Number

002-00102-00

Designator, DESCRIPTION

C19, CAP .047UF +-20% 50V

Supplier

 

 

Parameter

Specification

Analysis

TOLERANCE

20%

 

tEMPERATURE cOEFF.

+/-5% from -40°C to +105°C

 

vOLTAGE

50V

6.1V

OPERATING TEMPERATURE

105°C

 

DISSIPATION FACTOR

 

 

 

 

 

 

4. 19              208V/230V Mag/ Kal rod relays drive

The Mag Drive block consists of R51, R52, R57, R58, Q7, Q8, D10 – D12, D14, D22, D23, K4 – K9. The circuit operates such that K4 – K9 enable  the magnetrons in a 3TC oven and the Kal rods in a Combi oven. There are two sets of 3 relays, one set for the when the control is connected to a 208Vac line voltage, and the other set for when the control is connected to 240Vac line voltage. The relays are interlocked so that it is impossible to have both the 208V and the 240V outputs active to each magnetron or Kal rod at the same time. These relay must carry the heaviest currents in the oven, the magnetron and/or the Kal rod currents. However, these relays do not switch the load currents. The optoisolated triacs switch the current ON only after the relays have already been switched in and the optos switch OFF the current before the relays turn OFF. There are plans to switch one of the 208V relays independently from Q8 since we do not want the magnetron’s DLB relay active at the same time the Kal rods’ DLB relays are active in a Combi oven in order to preheat the oven. And since the Combi will only be used in conjunction with 208V line and not 240V, we need only use one addition switching component.

 

4.19.1           Worst Case for R51, R52, R66

4.19.1.1      R51, R52

Part Number

001-00015-00

Designator, DESCRIPTION

R51, R52, R66 RES CARBON 10K .25W 5%

Supplier

 

 

Parameter

Specification

Analysis

POWER AT 70°c

0.25W

84.0mW

Derate 2.94W/°C Above 70°C

200mW @ 85°C

84.0mW

Vmax

250V

27.5V

TOLERANCE

5%

no effect

OPERATING tEMPERATURE

-40°C to +155°C

0°C to 85°C

TEMP COEFF.

100 PPM/°C typ

no effect

 


 

4.19.2           Worst Case for R57, R58, R106

 

4.19.2.1      R57, R58, R106

Part Number

001-00015-00

Designator, DESCRIPTION

R57, R58, RES CARBON 10K .25W 5%

Supplier

 

 

Parameter

Specification

Analysis

POWER AT 70°c

0.25W

444mW

Derate 2.94W/°C Above 70°C

200mW @ 85°C

444mW

Vmax

250V

2V

TOLERANCE

5%

no effect

OPERATING tEMPERATURE

-40°C to +155°C

0°C to 85°C

TEMP COEFF.

100 PPM/°C typ

no effect

 

 

4.19.3           Worst Case for Q7, Q8, Q14

 

4.19.3.1      Q7, Q8, Q14

Part Number

004-00043-00

Designator, DESCRIPTION

Q7, Q8, TRANSISTOR MPS A06 NPN

Supplier

 

 

Parameter

Specification

Analysis

VCEO

80V

27.5V

VCBO

80V

27.5V

VEBO

4V

~ 0.0V

ICmax

500mA

63.7mA

operating Temp range

-55°C to +150°C

0°C to 85°C

vce(sat)max

0.25V max

 

Vbe(on)max

1.2V max

 

Pd at 25°C

625mW

19.5mW  See Note 1

Derate 5.0mW/°C above 25°C

325mW @ 85°C

19.5mW

Hfe  

50  min  @Ic=10mA - 100mA

 

NOTE:
1. Maximum collector current is (27.5VB/(1440W*0.9)) * 3, with 0.25V VCE(sat)max gives 15.9mW. And the max base current is 27.5V/(10000W*0.9) – 0.7V/(10000W*0.9) , with Vbe(on)max of 1.2V gives 3.5mW. Altogether the power dissipation is 19.5mW.

2. The above table is for Q7 which activates 3 relays. If the component can handle 3 relays, the it can certainly handle 2 or 1 relay.

 

 

4.19.4           Worst Case for D10 – D12, D14

 

4.19.4.1      D10 – D12, D14

Part Number

003-00001-00

Designator, DESCRIPTION

D10 – D12, D14, DIODE 1N4148

Supplier

 

 

Parameter

Specification

Analysis

Peak Reverse Voltage

75V = VRRM

27.5V

Avg Forward Current

150mA

63.5mA relay discharge current only

Forward Surge current

500mA

63.5mA relay discharge current only

Max reverse current

5mA @ VRRM=75V

 

Power Dissipation

500mW

~0 relay discharge current only

Junction Temperature

175°C max

~ambient

Therm Resis Junc to amb.

350 K/W

 

 

4.19.5           Worst Case for D22, D23

 

4.19.5.1      D22, D23

Part Number

003-00022-00

Designator, DESCRIPTION

D22, D23, DIODE IN4007

Supplier

 

 

Parameter

Specification

Analysis

Peak Reverse Voltage

1000V = VRRM

27.5V

Avg Forward Current

1A

21.2mA

Forward Surge current

30A

21.2mA

Max reverse current

50mA @ VRRM

no effect

Power Dissipation

~0.65W

 

Junction Temperature

175°C max

 

Therm Resis Junc to amb.

???? °C/W

no reference.

 

 

 

 

 

 

 

 

4.19.6           Worst Case for K4 – K9

 

4.19.6.1      K4 – K9

Part Number

047-00097-03

Designator, DESCRIPTION

K4 – K9, RELAY 24V, 16A FORM C

Supplier

 

 

Parameter

Specification

Analysis

Nominal voltage

24V

20.5 to 26V      See Note 1

Must operate V @ 85°C

21.8V @ 85°C See Note 2

20.5V

Min hold-in @ 85°C

15.9V at 50% of Vnom@85C.

20.5V

Resistance

1440W ±10%

N/A

Nominal Power

400mW @ 20°C

 

oPerating temperature

RS approved -40°C to 105°C

0°C to 85°C

Insulation system

140°C

108°C calculated

Absolute Power max

1.8W @ 25°C

450mW See Note 3 below.@ 20°C

Operate time (no bounce)

7ms Typ

Not phase fired

release time (no bounce)

3ms Typ

Not phase fired

NOTES:
1. VR is between 22.9V and  27.5V. Then VCEQ9(SAT)MAX is 1.5V, VD16FWD ~ 0.6V, and VCEQ7(SAT)MAX is 0.25V. Thus the minimum relay voltage is 22.9V – 2.35V = 20.5V and the maximum relay voltage is 27.6V – 1V - .5V - .1V = 26V.

2. See MathCad program for calculation of must operate voltage at 85°C . At 85°C ambient the calculations show that the coil will get as hot as 101.6°C which produces a coil resistance of 1.873KW so that the relay requires 21.856V to guarantee switching. However, if the oven has not been activated yet at 85°C then the guaranteed pull in voltage is 20.76V.

0. With VR at a maximum of 26V, the maximum power is 450mW as calculated from the MathCad program for calculation of must operate voltage at 85°C. This occurs a 0°C.

 

 

 

 

 

 

 

 

 

 

4. 20              TCO

 

4.20.1           Worst Case for R75

 

4.20.1.1      R75

Part Number

001-00015-00

Designator, DESCRIPTION

R75, RES CARBON 10K .25W 5%

Supplier

 

 

Parameter

Specification

Analysis

POWER AT 70°c

0.25W

3.32mW

Derate 2.94W/°C Above 70°C

200mW @ 85°C

3.32mW

Vmax

250V

5V

TOLERANCE

5%

no effect

OPERATING tEMPERATURE

-40°C to +155°C

 

TEMP COEFF.

100 PPM/°C typ

no effect

 

 

4.20.2           Worst Case for R76

 

4.20.2.1      R76

Part Number

001-00037-00

Designator, DESCRIPTION

R76, RES CARBON 100K .25W 5%

Supplier

 

 

Parameter

Specification

Analysis

POWER AT 70°c

0.25W

~0

Derate 2.94W/°C Above 70°C

200mW @ 85°C

~0

Vmax

250V

~0V  R76 in series with ¥W input

TOLERANCE

5%

no effect

OPERATING tEMPERATURE

-40°C to +155°C

 

TEMP COEFF.

100 PPM/°C typ

no effect

 

 

4.20.3           Worst Case for TCO switch

 

4.20.3.1      TCO switch

Part Number

?????????????

Designator, DESCRIPTION

 

Supplier

 

 

4. 21              Current Sense

 

4.21.1           Worst Case for U20

 

4.21.1.1      U20

Part Number

041-00006-00

Designator, DESCRIPTION

U20, HULL EFFECT SENSOR

Supplier

 

 

Parameter

Specification

Analysis

Maximum supply voltage

8.0V

5.47V

ICC, operating current

12mA MAX

 

max output   current

10mA

~0 in series with ¥W input

output resistance, ro

1W,   Io < 2mA

 

bandwidth (-3db)

30KHz

 

power dissipation @ 25°C

700mW

65.6mW See Note 1

Derate 4.83mw/°C above 25°C

410mW @ 85°C

65.6mW

operating temperature

-40°C to 85°C

0°C to 85°C

 

 

 

NOTE:
1. Power is 12mA * 5.47V since no appreciable output current.

 

 

4.21.2           Worst Case for R20

 

4.21.2.1      R20

Part Number

001-00037-00

Designator, DESCRIPTION

R20, RES CARBON 100K .25W 5%

Supplier

 

 

Parameter

Specification

Analysis

POWER AT 70°c

0.25W

~0

Derate 2.94W/°C Above 70°C

200mW @ 85°C

~0

Vmax

250V

~0 in series with ¥W input

TOLERANCE

5%

no effect

OPERATING tEMPERATURE

-40°C to +155°C

0°C to 85°C

TEMP COEFF.

100 PPM/°C typ

no effect

 


 

4. 22              RTD PWM

 

4.22.1           Worst Case for R77

 

4.22.1.1      R77

Part Number

001-00592-00

Designator, DESCRIPTION

R77, METAL 100, 1/4W 1%

Supplier

 

 

Parameter

Specification

Analysis

POWER AT 70°c

0.25W

100mW       See Note 1

Derate 2.94W/°C Above 70°C

200mW @ 85°C

100mW

Vmax

250V

5.47V

TOLERANCE

5%

no effect

OPERATING tEMPERATURE

-40°C to +155°C

0°C to 85°C

TEMP COEFF.

100 PPM/°C typ

no effect

NOTE:
1. The PWM is designed to provide a 1mA average current irrespective of the value of the RTD. P=I2*R.

 

4.22.2           Worst Case for R74

 

4.22.2.1      R74

Part Number

001-00466-00

Designator, DESCRIPTION

R74, RES MTL FILM 1K .25W .5%

Supplier

 

 

Parameter

Specification

Analysis

POWER AT 70°c

0.25W

1mW

Derate 2.94W/°C Above 70°C

200mW @ 85°C

1mW

Vmax

250V

1V

TOLERANCE

5%

no effect

OPERATING tEMPERATURE

-40°C to +155°C

0°C to 85°C

TEMP COEFF.

100 PPM/°C typ

no effect

 

4.22.3           Worst Case for RTD

4.22.3.1      RTD

Part Number

????????????  Supplied at yyyyy as part of the oven wiring harness

Designator, DESCRIPTION

 

Supplier

 

 

4.22.4           Worst Case for C10

4.22.4.1      C10

Part Number

002-00188-00

Designator, DESCRIPTION

C10, CAP  1OUF 16V RADIAL TANTAL

Supplier

 

 

Parameter

Specification

Analysis

TOLERANCE

10%

 

tEMPERATURE cOEFF.

+/-10% (-40°C to 85°C)

 

vOLTAGE

50V

5.47V

OPERATING TEMPERATURE

-55°C to +105°C

 

DISSIPATION FACTOR

6% @ 120Hz

 

leakage current

1.2mA

 

 

4.22.5           Worst Case for R67

4.22.5.1      R67

Part Number

001-00466-00

Designator, DESCRIPTION

R67, RES MTL FILM 1K .25W .5%

Supplier

 

 

Parameter

Specification

Analysis

POWER AT 70°c

0.25W

~0

Derate 2.94W/°C Above 70°C

200mW @ 85°C

~0

Vmax

250V

~0 duty cycle so small

TOLERANCE

5%

no effect

OPERATING tEMPERATURE

-40°C to +155°C

0°C to 85°C

TEMP COEFF.

100 PPM/°C typ

no effect

 

4.22.6           Worst Case for R68

4.22.6.1      R68

Part Number

001-00283-00

Designator, DESCRIPTION

R68, RES MF 1.78K .25W .5%

Supplier

 

 

Parameter

Specification

Analysis

POWER AT 70°c

0.25W

~0

Derate 2.94W/°C Above 70°C

200mW @ 85°C

~0

Vmax

250V

~0 duty cycle so small

TOLERANCE

5%

no effect

OPERATING tEMPERATURE

-40°C to +155°C

0°C to 85°C

TEMP COEFF.

100 PPM/°C typ

no effect

 

5                       Appendices

6                       Notes Regarding worst case analysis