Precision Back Light
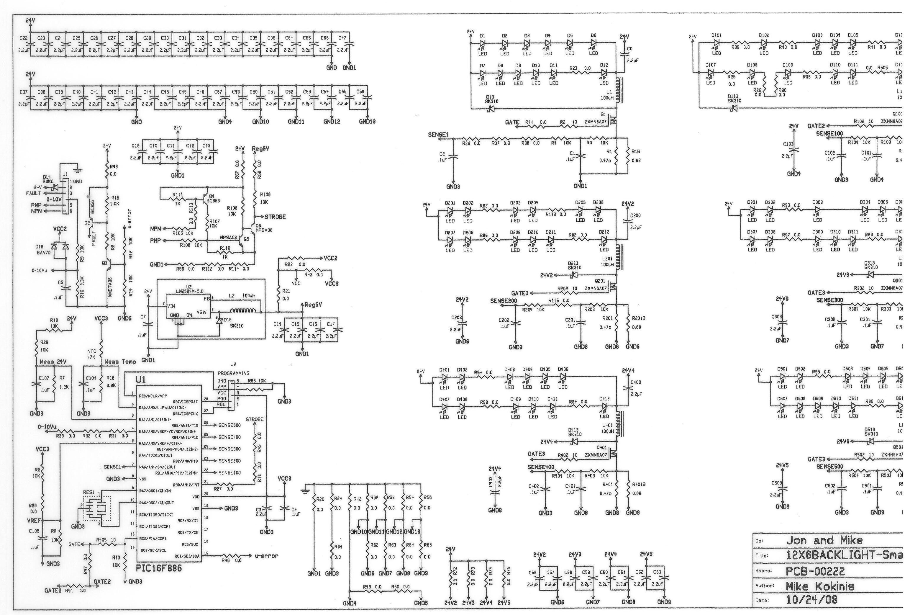
This is a precision back light for the quality control of the bottling industry. A highly controlled light source was needed. Bottles on an assembly line would pass in front of the light, and a camera would sense the light going through the bottles. Software would then be able to detect whether there was a defect in the bottle. This project required intensive work with a programmable camera and the Framework software to trigger the light and camera simultaneously. Since the LED light output changes with temperature, the unit would monitor the temperature of the Aluminum substrate of the PCB and adjust the duty cycle of the LEDs accordingly. I was the only engineer responsible for this project from beginning to end.


