Wireless Tire Pressure Reader
This is a hand held wireless tire pressure gauge reader. It is not a product but is designed as an aid in quality control testing on the factory floor. A couple years after the initial design by a third party design house, the OEM got around to programming and testing it. They found some problems with the hardware. My job was to diagnose and make improvements to the unit so that it would function as expected.
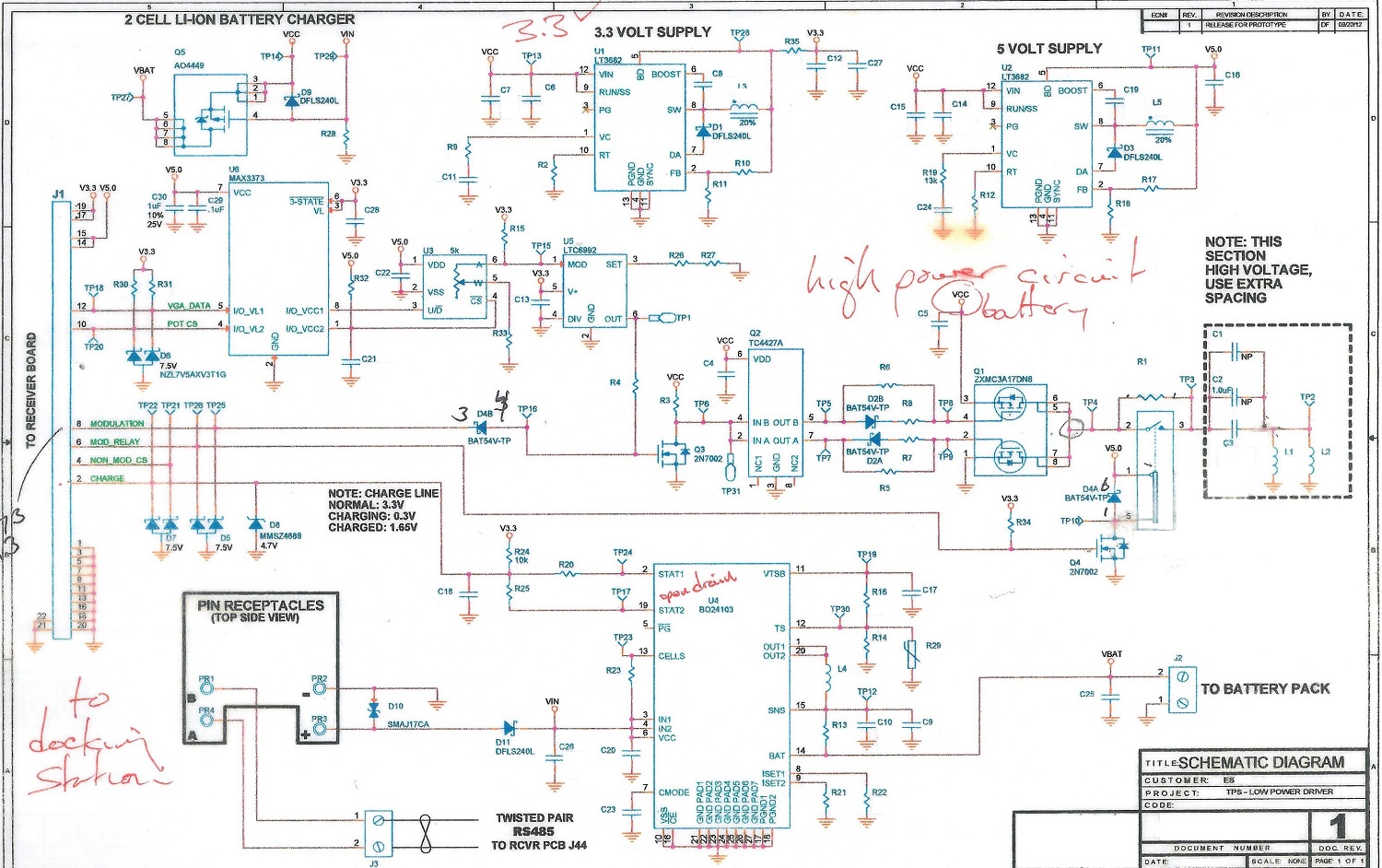
The first problem was that the display would cut out when communicating with the valve transceiver. It turned out that the voltage to the display was not high enough during communications because a resistor in the power supply was misplaced. Once I replaced this resistor with a zero ohm resistor it worked fine.
The OEM also wanted the unit to have a low battery indicator. But the unit was designed to charge the battery correctly, not to monitor the battery charge state. This would have required a partial redesign. I did not hear back if they wanted to invest in that much time and effort.
The last problem was that it would not communicate as far as desired. They wanted it to have a range of 1m. But it only worked at 7in. The antenna of the hand held is constructed with an LRC circuit, C1, C2, L1, L2, and R1 as shown in the lower right corner of the schematic below. The unit used an Amplitude Shift Keying (ASK) protocol. And R1 is used to prevent the inductors and capacitors from slowly charging with each oscillation since ASK requires full amplitude oscillations for a 1 and no oscillations for a 0. A gradual increase in amplitude is not compatible with ASK. I investigated a solution by removing R1 and first allowing the LC circuit to resonate until the amplitude increased to its maximum value. Then only turning the oscillator off when the inductors were fully discharged. This means all the energy of the oscillator is stored in the capacitors. When the oscillator was started again, it should resume its full amplitude oscillations again. If a TRIAC is used, the current only stops when the current through it reaches zero. And the TRIAC current does not start until there is a signal to do so. This would guarantee full oscillation amplitude for ASK communication. There is some leakage of the capacitor during no oscillations for a 0. But if the time it is off is brief enough, only the first few cycles of full on for a 1 are needed to get full amplitude oscillations again. The overall envelope of the signal looked very close to the requirements of ASK but with the maximum possible signal that the LC oscillator can provide.


