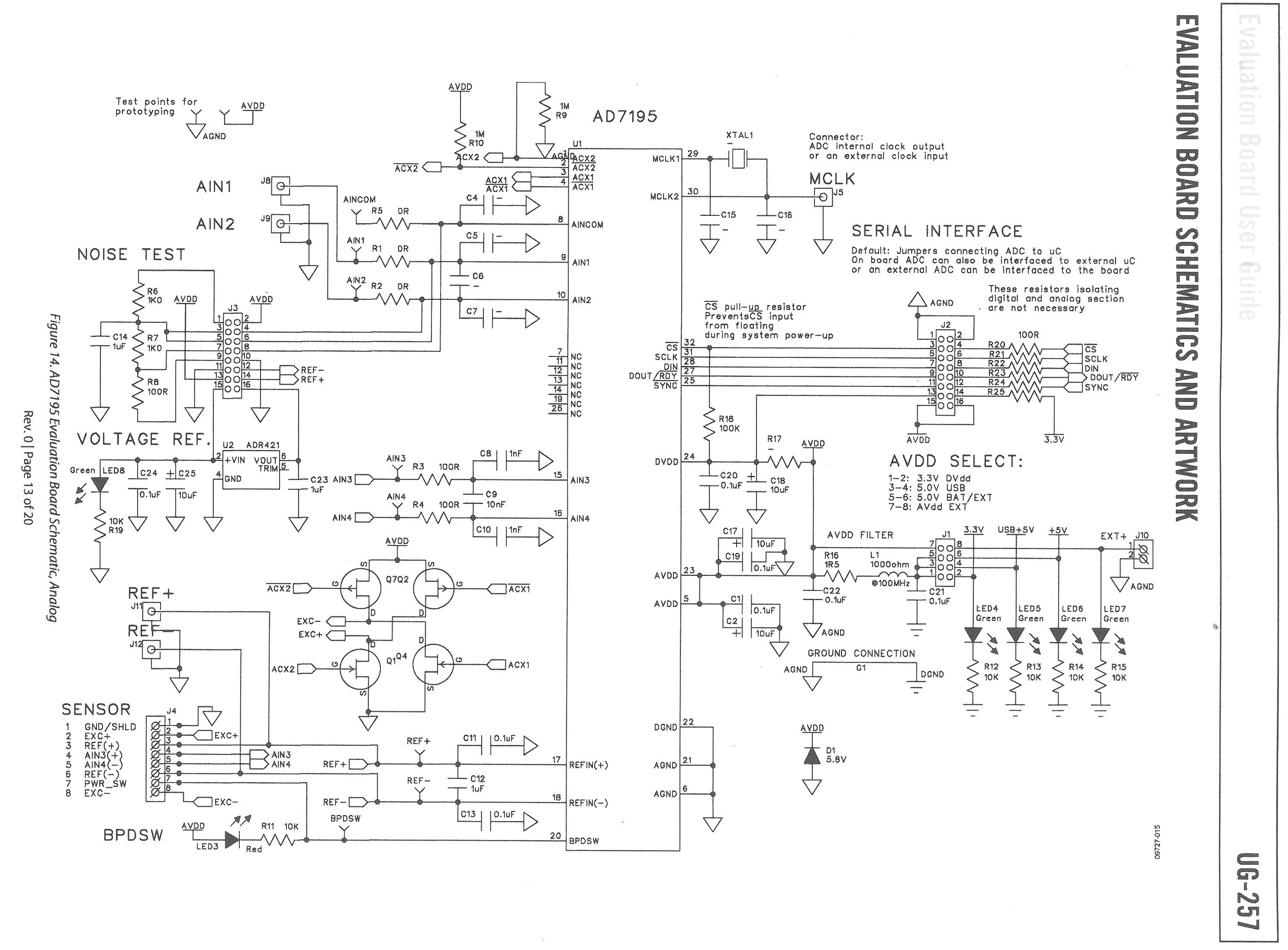
Precision Weight Scale project
This was a precision weight sensor project to weigh patients on hospital beds. The AD7195 is a 24bit differential input connected to two Load Cells. I worked with a team to converge on the components that would best fulfill the requirements. My job was to design the interface between this and an RS-485 bus. I also wrote up the validation test plan and helped technicians carry it out.
